H-557P4 Ch=V-2271-1
Westinghouse El. & Mfg. Co. - see also Canadian W.
- Pays
- Etats-Unis
- Fabricant / Marque
- Westinghouse El. & Mfg. Co. - see also Canadian W.
- Année
- 1956 ?
- Catégorie
- Radio - ou tuner d'après la guerre 1939-45
- Radiomuseum.org ID
- 83466
-
- alternative name: Westinghouse El. Int.
Cliquez sur la vignette du schéma pour le demander en tant que document gratuit.
- No. de tubes
- 4
- Principe général
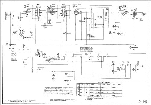
- Super hétérodyne (en général); FI/IF 455 kHz; 2 Etage(s) BF
- Circuits accordés
- 6 Circuits MA (AM)
- Gammes d'ondes
- PO uniquement
- Tension / type courant
- Secteur et Piles (tous types). / AC/DC 105-120/ 67.5 & 1.5 Volt
- Haut-parleur
- HP dynamique à aimant permanent + bobine mobile / Ø 3.5 inch = 8.9 cm
- Matière
- Plastique moderne (pas de bakélite, ni de catalin)
- De Radiomuseum.org
- Modèle: H-557P4 Ch=V-2271-1 - Westinghouse El. & Mfg. Co. -
- Forme
- Portative > 20 cm (sans nécessité secteur)
- Remarques
- Color=dark/light green. Selenium Rectifier.
- Source
- Machine Age to Jet Age III
- Source du schéma
- Beitman Radio Diagrams Vol. 17, 1957
- Schémathèque (1)
- Photofact Folder, Howard W. SAMS (Date 2-57, Set 346, Folder 19)
- Auteur
- Modèle crée par Egon Penker. Voir les propositions de modification pour les contributeurs supplémentaires.
- D'autres Modèles
-
Vous pourrez trouver sous ce lien 3157 modèles d'appareils, 1761 avec des images et 2673 avec des schémas.
Tous les appareils de Westinghouse El. & Mfg. Co. - see also Canadian W.