Phantom from ID = 83490
Westinghouse El. & Mfg. Co. - see also Canadian W.
- Produttore / Marca
- Westinghouse El. & Mfg. Co. - see also Canadian W.
- Anno
- 9999
- Categoria
- Radio (o sintonizzatore del dopoguerra WW2)
- Radiomuseum.org ID
- 83491
-
- alternative name: Westinghouse El. Int.
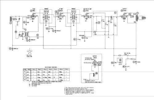
Clicca sulla miniatura dello schema per richiederlo come documento gratuito.
- Principio generale
- Supereterodina (in generale); ZF/IF 455 kHz; 2 Stadi BF
- N. di circuiti accordati
- 6 Circuiti Mod. Amp. (AM)
- Gamme d'onda
- Solo onde medie (OM).
- Tensioni di funzionamento
- Batterie (di accumulatori e/o a secco) / 1.5 & 67.5 Volt
- Altoparlante
- AP magnetodinamico (magnete permanente e bobina mobile)
- Materiali
- Plastica (non bachelite o catalina)
- Radiomuseum.org
- Modello: Phantom from ID = 83490 - Westinghouse El. & Mfg. Co. -
- Forma
- Apparecchio portatile > 20 cm (senza la necessità di una rete)
- Autore
- Modello inviato da Egon Penker. Utilizzare "Proponi modifica" per inviare ulteriori dati.
- Altri modelli
-
In questo link sono elencati 3157 modelli, di cui 1761 con immagini e 2673 con schemi.
Elenco delle radio e altri apparecchi della Westinghouse El. & Mfg. Co. - see also Canadian W.