H-585T5 Ch= V-2259-3
Westinghouse El. & Mfg. Co. - see also Canadian W.
- Country
- United States of America (USA)
- Manufacturer / Brand
- Westinghouse El. & Mfg. Co. - see also Canadian W.
- Year
- 1957
- Category
- Broadcast Receiver - or past WW2 Tuner
- Radiomuseum.org ID
- 236540
-
- alternative name: Westinghouse El. Int.
Click on the schematic thumbnail to request the schematic as a free document.
- Number of Tubes
- 5
- Main principle
- Superheterodyne (common); ZF/IF 455 kHz; 2 AF stage(s)
- Tuned circuits
- 6 AM circuit(s)
- Wave bands
- Broadcast only (MW).
- Power type and voltage
- Alternating Current supply (AC) / 60 cycles, 105 to 120 Volt
- Loudspeaker
- Permanent Magnet Dynamic (PDyn) Loudspeaker (moving coil) / Ø 4 inch = 10.2 cm
- Material
- Plastics (no bakelite or catalin)
- from Radiomuseum.org
- Model: H-585T5 Ch= V-2259-3 - Westinghouse El. & Mfg. Co. -
- Shape
- Tablemodel with Clock ((Alarm-) Clock Radio).
- Dimensions (WHD)
- 10.5 x 6 x 5.5 inch / 267 x 152 x 140 mm
- Notes
-
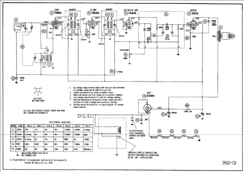
The Westinghouse H-585T5 is an AC operated, 5 tube AM Receiver with Electric Clock. Has built-in loop antenna and utility outlet on rear of cabinet which is controlled from the clock. Cabinet color is Champagne.
The following models use the same schematic and cabinet but have different cabinet colors:
Model Number Cabinet Color H-581T5 Ivory H-583T5 Coral H-585T5 Champagne
- Literature/Schematics (1)
- Photofact Folder, Howard W. SAMS (Date 3-58, Set 392, Folder 13)
- Author
- Model page created by John Kusching. See "Data change" for further contributors.
- Other Models
-
Here you find 3155 models, 1761 with images and 2671 with schematics for wireless sets etc. In French: TSF for Télégraphie sans fil.
All listed radios etc. from Westinghouse El. & Mfg. Co. - see also Canadian W.