H-587P7 Ch= V-2278-1
Westinghouse El. & Mfg. Co. - see also Canadian W.
- Pays
- Etats-Unis
- Fabricant / Marque
- Westinghouse El. & Mfg. Co. - see also Canadian W.
- Année
- 1957 ?
- Catégorie
- Radio - ou tuner d'après la guerre 1939-45
- Radiomuseum.org ID
- 83471
-
- alternative name: Westinghouse El. Int.
Cliquez sur la vignette du schéma pour le demander en tant que document gratuit.
- No. de transistors
- 7
- Principe général
- Super hétérodyne (en général); FI/IF 455 kHz; 2 Etage(s) BF
- Circuits accordés
- 5 Circuits MA (AM)
- Gammes d'ondes
- PO uniquement
- Tension / type courant
- Piles (rechargeables ou/et sèches) / 9 Volt
- Haut-parleur
- HP dynamique à aimant permanent + bobine mobile / Ø 2.75 inch = 7 cm
- Matière
- Plastique moderne (pas de bakélite, ni de catalin)
- De Radiomuseum.org
- Modèle: H-587P7 Ch= V-2278-1 - Westinghouse El. & Mfg. Co. -
- Forme
- Portable, appareil de poche. Taille < 20cm
- Dimensions (LHP)
- 6 x 3.12 x 1.75 inch / 152 x 79 x 44 mm
- Remarques
-
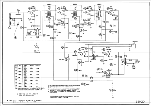
The Westinghouse H-587P7 is a battery operated portable 7 transistor AM radio. The AM frequency tuning range is 540 to 1600kHz. Has push-pull audio output stage and earphone jack that effectively disconnects the speaker for private listening. The 880 (2N94) transistor is used as a Class-B demodulator.
The family of radio's sharing the V-2278 chassis are as follows:
Model Chassis Cabinet Color H-587P7 V-2278-1 Gray H-587P7A V-2278-3 Gray H-588P7 V-2278-1 Black H-588P7A V-2278-3 Black H-589P7 V-2278-1 Red H-589P7A V-2278-3 Red H-617P7 V-2278-3 Gray H-617P7A V-2278-3 Gray H-618P7 V-2278-3 Black H-618P7A V-2278-3 Black H-619P7 V-2278-3 Red H-619P7A V-2278-3 Red
- Littérature
- Photofact Folder, Howard W. SAMS (Set 351, Folder 20, Date 3-57)
- Schémathèque (1)
- Beitman Radio Diagrams, Vol. 17, 1957 (Page 171)
- Schémathèque (2)
- Collector's Guide To TrR1 Bunis trans.94 (1996, page 299)
- Auteur
- Modèle crée par Egon Penker. Voir les propositions de modification pour les contributeurs supplémentaires.
- D'autres Modèles
-
Vous pourrez trouver sous ce lien 3155 modèles d'appareils, 1761 avec des images et 2671 avec des schémas.
Tous les appareils de Westinghouse El. & Mfg. Co. - see also Canadian W.