H-588P7 Ch= V-2278-1
Westinghouse El. & Mfg. Co. - see also Canadian W.
- País
- Estados Unidos
- Fabricante / Marca
- Westinghouse El. & Mfg. Co. - see also Canadian W.
- Año
- 1957
- Categoría
- Radio - o Sintonizador pasado WW2
- Radiomuseum.org ID
- 83472
-
- alternative name: Westinghouse El. Int.
Haga clic en la miniatura esquemática para solicitarlo como documento gratuito.
- Numero de transistores
- 7
- Principio principal
- Superheterodino en general; ZF/IF 455 kHz; 2 Etapas de AF
- Número de circuitos sintonía
- 5 Circuíto(s) AM
- Gama de ondas
- OM (onda media) solamente
- Tensión de funcionamiento
- Baterías recargables o pilas / 9 Volt
- Altavoz
- Altavoz dinámico. Se desconoce si a imán permanente o electroimán. / Ø 2.75 inch = 7 cm
- Material
- Plástico moderno (Nunca bakelita o catalina)
- de Radiomuseum.org
- Modelo: H-588P7 Ch= V-2278-1 - Westinghouse El. & Mfg. Co. -
- Forma
- Portátil de bolsillo , menor de 20cm.
- Ancho, altura, profundidad
- 6 x 3.12 x 1.75 inch / 152 x 79 x 44 mm
- Anotaciones
-
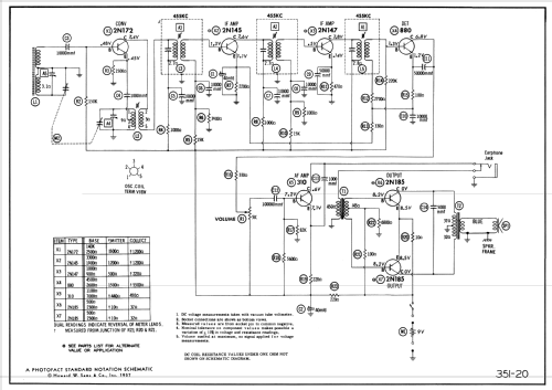
The Westinghouse H-588P7 is a battery operated portable 7 transistor AM radio. The AM frequency tuning range is 540 to 1600kHz. Has push-pull audio output stage and earphone jack that effectively disconnects the speaker for private listening. The 880 (2N94) transistor is used as a Class-B demodulator.
The family of radio's sharing the V-2278 chassis are as follows:
Model Chassis Cabinet Color H-587P7 V-2278-1 Gray H-587P7A V-2278-3 Gray H-588P7 V-2278-1 Black H-588P7A V-2278-3 Black H-589P7 V-2278-1 Red H-589P7A V-2278-3 Red H-617P7 V-2278-3 Gray H-617P7A V-2278-3 Gray H-618P7 V-2278-3 Black H-618P7A V-2278-3 Black H-619P7 V-2278-3 Red H-619P7A V-2278-3 Red
- Mencionado en
- Photofact Folder, Howard W. SAMS (Set 351, Folder 20, Date 3-57)
- Documentación / Esquemas (1)
- Beitman Radio Diagrams, Vol. 17, 1957 (Page 171)
- Documentación / Esquemas (2)
- Collector's Guide To TrR1 Bunis trans.94 (1996, page 299)
- Autor
- Modelo creado por Egon Penker. Ver en "Modificar Ficha" los participantes posteriores.
- Otros modelos
-
Donde encontrará 3155 modelos, 1761 con imágenes y 2671 con esquemas.
Ir al listado general de Westinghouse El. & Mfg. Co. - see also Canadian W.