H-643K16 Ch= V-2179
Westinghouse El. & Mfg. Co. - see also Canadian W.
- Produttore / Marca
- Westinghouse El. & Mfg. Co. - see also Canadian W.
- Anno
- 1950 ?
- Categoria
- Televisore (TV) / Monitor
- Radiomuseum.org ID
- 217075
-
- alternative name: Westinghouse El. Int.
Clicca sulla miniatura dello schema per richiederlo come documento gratuito.
- Numero di tubi
- 24
- Valvole
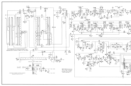
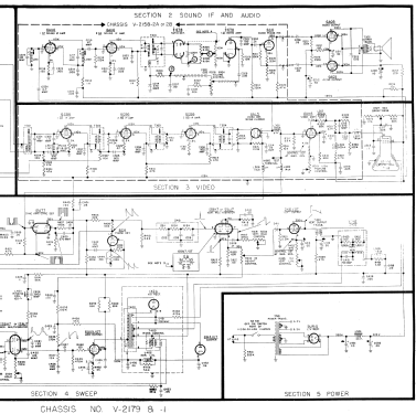
- 6BC5 or 6AK5 6J6 6CB6 6CB6 6CB6 6AL5 6AH6 6AU6 6AU6 6T8 6C4 6AQ5 6AQ5 6AU6 12AT7 6C4 6SN7GT or 12BH7 or 12AU7 6K6GT 12AU7 or 12BH7 6AU5GT 6W4GT 1X2A 5U4G 16JP4A or 16JP4
- Principio generale
- Supereterodina con stadio RF
- Gamme d'onda
- Gamme d'onda nelle note.
- Tensioni di funzionamento
- Alimentazione a corrente alternata (CA) / 60 Hz, 117V = 110 -120 Volt
- Altoparlante
- AP magnetodinamico (magnete permanente e bobina mobile) / Ø 12 inch = 30.5 cm
- Potenza d'uscita
- 2.8 W (qualità ignota)
- Materiali
- Mobile in legno
- Radiomuseum.org
- Modello: H-643K16 Ch= V-2179 - Westinghouse El. & Mfg. Co. -
- Forma
- Console, con gambe d'appoggio basse (< 50%).
- Annotazioni
-
The Westinghouse H-643K16 is a 16" b/w TV with US standard VHF tuner channels 2 thru 13. Equipped with chassis V-2179 and picture tube 16JP4. This model is also available using chassis V-2179-1.
- Letteratura / Schemi (1)
- - - Manufacturers Literature (Westinghouse Datasheet RM3196)
- Letteratura / Schemi (2)
- Photofact Folder, Howard W. SAMS (Set 127 Folder 13 dated 3-51)
- Autore
- Modello inviato da John Kusching. Utilizzare "Proponi modifica" per inviare ulteriori dati.
- Altri modelli
-
In questo link sono elencati 3157 modelli, di cui 1761 con immagini e 2673 con schemi.
Elenco delle radio e altri apparecchi della Westinghouse El. & Mfg. Co. - see also Canadian W.