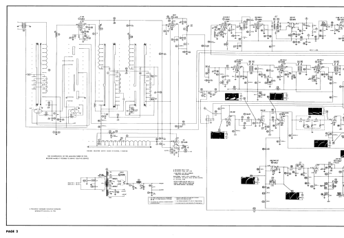
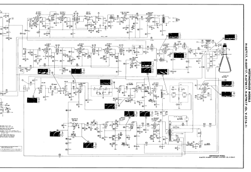
H-679K17 Ch- V-2216-1
Westinghouse El. & Mfg. Co. - see also Canadian W.
- Country
- United States of America (USA)
- Manufacturer / Brand
- Westinghouse El. & Mfg. Co. - see also Canadian W.
- Year
- 1952 ?
- Category
- Television Receiver (TV) or Monitor
- Radiomuseum.org ID
- 216450
-
- alternative name: Westinghouse El. Int.
Click on the schematic thumbnail to request the schematic as a free document.
- Number of Tubes
- 22
- Valves / Tubes
- 6AK6 6X8 6CB6 6CB6 6CB6 6AH6 6AU6 6AU6 6AU6 6T8 6W6GT 12AT7 6C4 12BH7 6SN7GT 6AL5 12AU7 6AV5GT or 6AU5GT 6W4GT 1B3GT 5U4G 17LP4
- Main principle
- Superhet with RF-stage
- Wave bands
- VHF incl. FM and/or UHF (see notes for details)
- Power type and voltage
- Alternating Current supply (AC) / 60Hz, 117V=110-120 Volt
- Loudspeaker
- Permanent Magnet Dynamic (PDyn) Loudspeaker (moving coil) / Ø 5.25 inch = 13.3 cm
- Power out
- 1.5 W (unknown quality)
- Material
- Wooden case
- from Radiomuseum.org
- Model: H-679K17 Ch- V-2216-1 - Westinghouse El. & Mfg. Co. -
- Shape
- Console, Lowboy (legs < 50 %).
- Notes
-
The Westinghouse H-679K17 is a 21" b/w TV with US standard VHF tuner channels 2 thru 13. Equipped with chassis V-2216-1, VHF-tuner V-10880-1 and picture tube 17LP4. Cabinet is Blonde.
- Literature/Schematics (1)
- - - Manufacturers Literature (Westinghouse Datasheets RM3264, RM3275, RM3301)
- Literature/Schematics (2)
- Photofact Folder, Howard W. SAMS (Set 167, folder 15, dated 5-52)
- Literature/Schematics (3)
- Photofact Folder, Howard W. SAMS (Set 179, folder 1, dated 9-52)
- Author
- Model page created by John Kusching. See "Data change" for further contributors.
- Other Models
-
Here you find 3157 models, 1761 with images and 2673 with schematics for wireless sets etc. In French: TSF for Télégraphie sans fil.
All listed radios etc. from Westinghouse El. & Mfg. Co. - see also Canadian W.