H-715T5A Ch= V-2400-3
Westinghouse El. & Mfg. Co. - see also Canadian W.
- Produttore / Marca
- Westinghouse El. & Mfg. Co. - see also Canadian W.
- Anno
- 1961
- Categoria
- Radio (o sintonizzatore del dopoguerra WW2)
- Radiomuseum.org ID
- 216008
-
- alternative name: Westinghouse El. Int.
Clicca sulla miniatura dello schema per richiederlo come documento gratuito.
- Numero di tubi
- 5
- Principio generale
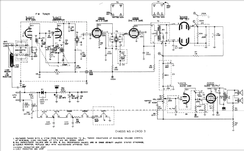
- Supereterodina con stadio RF; ZF/IF 10700 kHz; 2 Stadi BF
- N. di circuiti accordati
- 7 Circuiti Mod. Freq. (FM)
- Gamme d'onda
- Solo modulazione di frequenza (FM)
- Tensioni di funzionamento
- Alimentazione universale (doppia: CC/CA) / 105-120 Volt
- Altoparlante
- 2 altoparlanti / Ø 4 inch = 10.2 cm
- Potenza d'uscita
- 1.3 W (qualità ignota)
- Materiali
- Plastica (non bachelite o catalina)
- Radiomuseum.org
- Modello: H-715T5A Ch= V-2400-3 - Westinghouse El. & Mfg. Co. -
- Forma
- Soprammobile compatto/con bordi arrotondati/midget senza pulsantiera/tastiera.<= 35 cm (Sometimes with handle but for mains only).
- Annotazioni
- The Westinghouse model H-715T5A is a 5 tube FM radio. FM Tuning Range: 88 to 108 MHz. Has Qty(2) PM 4" speakers. Cabinet color is Chestnut Brown/White. Westinghouse model H-716T5A uses the same chassis and schematic, difference being cabinet color.
- Letteratura / Schemi (1)
- - - Manufacturers Literature (Westinghouse Datasheet RA5038)
- Autore
- Modello inviato da John Kusching. Utilizzare "Proponi modifica" per inviare ulteriori dati.
- Altri modelli
-
In questo link sono elencati 3155 modelli, di cui 1761 con immagini e 2671 con schemi.
Elenco delle radio e altri apparecchi della Westinghouse El. & Mfg. Co. - see also Canadian W.