H-718K20 Ch= V-2220-2
Westinghouse El. & Mfg. Co. - see also Canadian W.
- Produttore / Marca
- Westinghouse El. & Mfg. Co. - see also Canadian W.
- Anno
- 1953 ?
- Categoria
- Televisore (TV) / Monitor
- Radiomuseum.org ID
- 217586
-
- alternative name: Westinghouse El. Int.
Clicca sulla miniatura dello schema per richiederlo come documento gratuito.
- Numero di tubi
- 20
- Valvole
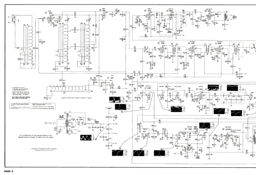
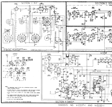
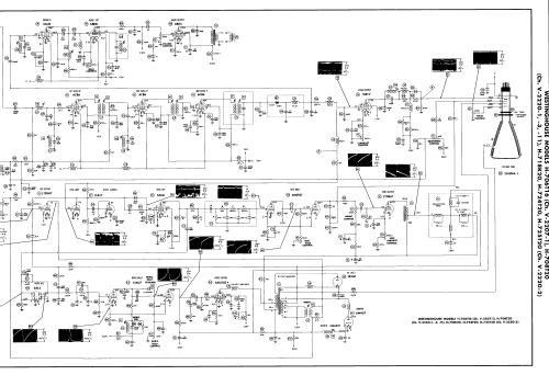
- 6BC5 6J6 6CB6 6CB6 6CB6 12BY7 12BH7 6AU6 6BN6 6BK5 12AT7 6AU6 6SN7GT 6AL5 12AU7 6AU5GT or 6AV5GT or 6BQ6GT 6W4GT 1B3GT 5U4G 20HP4A
- Principio generale
- Supereterodina con stadio RF
- Gamme d'onda
- VHF/UHF (ved. i dettagli nelle note)
- Tensioni di funzionamento
- Alimentazione a corrente alternata (CA) / 60Hz, 117V=110-120 Volt
- Altoparlante
- AP magnetodinamico (magnete permanente e bobina mobile) / Ø 5.25 inch = 13.3 cm
- Potenza d'uscita
- 1.8 W (qualità ignota)
- Materiali
- Mobile in legno
- Radiomuseum.org
- Modello: H-718K20 Ch= V-2220-2 - Westinghouse El. & Mfg. Co. -
- Forma
- Console di qualsiasi tipo
- Annotazioni
-
The Westinghouse H-718K20 is a 20" b/w TV with US standard VHF tuner channels 2 thru 13. Equipped with chassis V-2220-2, VHF-tuner V-11385-1 and picture tube 20HP4A. For service information, refer to Westinghouse model H-706T16 service notes and supplementary information. The V-2220-2 chassis is similar to the V-2220-11 chassis except that the shafts of the volume and picture controls are shorter.
- Letteratura / Schemi (1)
- - - Manufacturers Literature (Westinghouse Datasheets RM3317, RM3316, RM3325)
- Letteratura / Schemi (2)
- Photofact Folder, Howard W. SAMS (Set 193, folder 12, dated 2-53)
- Autore
- Modello inviato da John Kusching. Utilizzare "Proponi modifica" per inviare ulteriori dati.
- Altri modelli
-
In questo link sono elencati 3157 modelli, di cui 1761 con immagini e 2673 con schemi.
Elenco delle radio e altri apparecchi della Westinghouse El. & Mfg. Co. - see also Canadian W.