H-757K21 Ch= V2233-2
Westinghouse El. & Mfg. Co. - see also Canadian W.
- Country
- United States of America (USA)
- Manufacturer / Brand
- Westinghouse El. & Mfg. Co. - see also Canadian W.
- Year
- 1953 ?
- Category
- Television Receiver (TV) or Monitor
- Radiomuseum.org ID
- 364566
-
- alternative name: Westinghouse El. Int.
Click on the schematic thumbnail to request the schematic as a free document.
- Number of Tubes
- 22
- Valves / Tubes
- 6BQ7 or 6BZ7 6X8 6CB6 6CB6 6CB6 12BY7 6AU6 6BN6 6BK5 6AU6 12BH7 12AT7 6AU6 6SN7GT 6AL5 12AU7 6BQ6GT 6AX4GT 1B3GT 5U4G 5U4G 21FP4A
- Main principle
- Superhet with RF-stage
- Wave bands
- Wave Bands given in the notes.
- Power type and voltage
- Alternating Current supply (AC) / 60 Hz, 117V = 110 -120 Volt
- Loudspeaker
- Permanent Magnet Dynamic (PDyn) Loudspeaker (moving coil) - elliptical
- Material
- Wooden case
- from Radiomuseum.org
- Model: H-757K21 Ch= V2233-2 - Westinghouse El. & Mfg. Co. -
- Shape
- Console with any shape - in general
- Notes
-
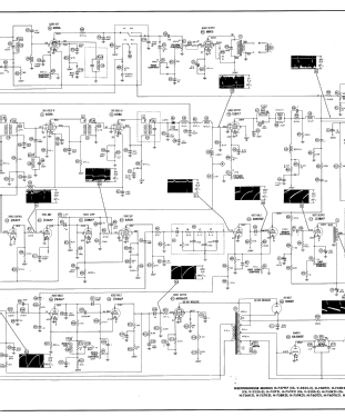
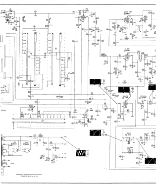
The Westinghouse H-757K21 is a 21" b/w TV with US standard VHF tuner channels 2 thru 13. Equipped with chassis V-2233-3 and picture tube 21FP4A. For service information on this model, refer to Westinghouse model H-740T21 service notes and supplementary information.
- Literature/Schematics (2)
- Photofact Folder, Howard W. SAMS (Set 212, folder 9, dated 8-53)
- Author
- Model page created by Dirk Taekels. See "Data change" for further contributors.
- Other Models
-
Here you find 3157 models, 1761 with images and 2673 with schematics for wireless sets etc. In French: TSF for Télégraphie sans fil.
All listed radios etc. from Westinghouse El. & Mfg. Co. - see also Canadian W.