H-770P7 Ch= V-2402-1
Westinghouse El. & Mfg. Co. - see also Canadian W.
- Country
- United States of America (USA)
- Manufacturer / Brand
- Westinghouse El. & Mfg. Co. - see also Canadian W.
- Year
- 1960
- Category
- Broadcast Receiver - or past WW2 Tuner
- Radiomuseum.org ID
- 160311
-
- alternative name: Westinghouse El. Int.
Click on the schematic thumbnail to request the schematic as a free document.
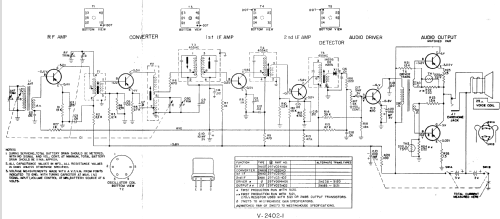
- Number of Transistors
- 7
- Main principle
- Superhet with RF-stage; ZF/IF 455 kHz; 2 AF stage(s)
- Tuned circuits
- 7 AM circuit(s)
- Wave bands
- Broadcast only (MW).
- Power type and voltage
- Dry Batteries / 4 x 1,5 Volt
- Loudspeaker
- Permanent Magnet Dynamic (PDyn) Loudspeaker (moving coil) / Ø 4 inch = 10.2 cm
- Material
- Leather / canvas / plastic - over other material
- from Radiomuseum.org
- Model: H-770P7 Ch= V-2402-1 - Westinghouse El. & Mfg. Co. -
- Shape
- Portable set > 8 inch (also usable without mains)
- Dimensions (WHD)
- 8.25 x 6 x 3.75 inch / 210 x 152 x 95 mm
- Notes
- Westinghouse H-770P7 Seven Transistor;
Gray saddle-stitched case. The Westinghouse model H-770P7 is a battery operated 7 transistor AM radio. AM Tuning Range: 540 to 1600 kHz. Has Qty(1) PM 4" speaker. Uses Qty(4) 1.5V "D" batteries. Cabinet color is Gray. For specifications, battery information and service information, refer to model H-730P7. Westinghouse model H-769P7 uses the same chassis and schematic, difference being cabinet color.
- Mentioned in
- -- Original prospect or advert (Catalogue ~1960)
- Literature/Schematics (1)
- - - Manufacturers Literature (Westinghouse Datasheets RA5008, RM4526)
- Literature/Schematics (2)
- Collector's Guide To TrR1 Bunis trans.94 (1996, page 303)
- Author
- Model page created by a member from A. See "Data change" for further contributors.
- Other Models
-
Here you find 3157 models, 1761 with images and 2673 with schematics for wireless sets etc. In French: TSF for Télégraphie sans fil.
All listed radios etc. from Westinghouse El. & Mfg. Co. - see also Canadian W.