H-775K21 Ch= V-2243-4
Westinghouse El. & Mfg. Co. - see also Canadian W.
- Land
- USA
- Hersteller / Marke
- Westinghouse El. & Mfg. Co. - see also Canadian W.
- Jahr
- 1953
- Kategorie
- Fernseh-Empfänger/Monitor
- Radiomuseum.org ID
- 218275
-
- anderer Name: Westinghouse El. Int.
Klicken Sie auf den Schaltplanausschnitt, um diesen kostenlos als Dokument anzufordern.
- Anzahl Röhren
- 22
- Röhren
- 6BZ7 or 6BQ7A 6X8 6CB6 6CB6 6CB6 12BY7 6AU6 6BN6 6BK5 12AT7 6AU6 12BH7 6AU6 6SN7GT 6AL5 12AU7 6BQ6GT or 6BQ6G 6AS4GT or 6AX4GT 1B3GT 5U4G 5U4G 21YP4
- Hauptprinzip
- Super mit HF-Vorstufe
- Wellenbereiche
- VHF/UHF (siehe Bemerkungen)
- Betriebsart / Volt
- Wechselstromspeisung / 105-120 Volt
- Lautsprecher
- Dynamischer LS, keine Erregerspule (permanentdynamisch) / Ø 10 inch = 25.4 cm
- Belastbarkeit / Leistung
- 2.5 W (Qualität unbekannt)
- Material
- Gerät mit Holzgehäuse
- von Radiomuseum.org
- Modell: H-775K21 Ch= V-2243-4 - Westinghouse El. & Mfg. Co. -
- Form
- Standgerät: allgemein.
- Bemerkung
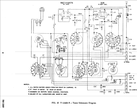
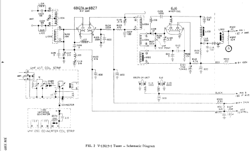
- The Westinghouse H-775K21 is a 21" b/w TV with US standard VHF tuner channels 2 thru 13. Equipped with chassis V-2243-4, VHF tuner V-12400-1 and picture tube 21YP4. Cabinet is Blonde.
- Literatur/Schema (1)
- - - Manufacturers Literature (Westinghouse Datasheets RM3362 RM3389)
- Autor
- Modellseite von John Kusching angelegt. Siehe bei "Änderungsvorschlag" für weitere Mitarbeit.
- Weitere Modelle
-
Hier finden Sie 3155 Modelle, davon 1761 mit Bildern und 2671 mit Schaltbildern.
Alle gelisteten Radios usw. von Westinghouse El. & Mfg. Co. - see also Canadian W.