H-783K21 Ch= V-2247-1
Westinghouse El. & Mfg. Co. - see also Canadian W.
- Country
- United States of America (USA)
- Manufacturer / Brand
- Westinghouse El. & Mfg. Co. - see also Canadian W.
- Year
- 1953
- Category
- Television Receiver (TV) or Monitor
- Radiomuseum.org ID
- 163803
-
- alternative name: Westinghouse El. Int.
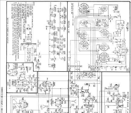
Click on the schematic thumbnail to request the schematic as a free document.
- Number of Tubes
- 24
- Valves / Tubes
- 6BZ7 or 6BQ7A 6X8 6CB6 6CB6 6CB6 12BY7 6AU6 6BN6 6BK5 12AU7 6AU6 12AT7 6AU6 12BH7 6SN7GT 6AL5 12AU7 1P41 6BQ6G or 6BQ6GT 6AS4GT or 6AX4GT 1B3GT 5U4G 5U4G 21FP4A
- Main principle
- Superhet with RF-stage
- Wave bands
- VHF incl. FM and/or UHF (see notes for details)
- Power type and voltage
- Alternating Current supply (AC) / 105-120 Volt
- Loudspeaker
- Permanent Magnet Dynamic (PDyn) Loudspeaker (moving coil) / Ø 10 inch = 25.4 cm
- Power out
- 2.5 W (unknown quality)
- Material
- Wooden case
- from Radiomuseum.org
- Model: H-783K21 Ch= V-2247-1 - Westinghouse El. & Mfg. Co. -
- Shape
- Console with any shape - in general
- Notes
- The Westinghouse H-783K21 is a 21" b/w TV with US standard VHF tuner channels 2 thru 13. Equipped with chassis V-2247-1, VHF tuner V-11794-1 and picture tube 21FP4A. Cabinet is Blonde.
- Source of data
- - - Manufacturers Literature
- Literature/Schematics (1)
- - - Manufacturers Literature (Westinghouse Datasheets RM3368 RM3387)
- Author
- Model page created by a member from A. See "Data change" for further contributors.
- Other Models
-
Here you find 3157 models, 1761 with images and 2673 with schematics for wireless sets etc. In French: TSF for Télégraphie sans fil.
All listed radios etc. from Westinghouse El. & Mfg. Co. - see also Canadian W.