H-830KU21 Ch= V-2273-134
Westinghouse El. & Mfg. Co. - see also Canadian W.
- Country
- United States of America (USA)
- Manufacturer / Brand
- Westinghouse El. & Mfg. Co. - see also Canadian W.
- Year
- 1953
- Category
- Television Receiver (TV) or Monitor
- Radiomuseum.org ID
- 220861
-
- alternative name: Westinghouse El. Int.
Click on the schematic thumbnail to request the schematic as a free document.
- Number of Tubes
- 23
- Valves / Tubes
- 6BK7 6J6 6J6 6CB6 6CB6 6CB6 12BY7 6AU6 6BN6 6BK5 12AT7 6AU6 6SN7GT 12BH7 6AU6 6AL5 12AU7 6CU6 or 6BQ6G or 6BQ6GT 6AS4GT or 6AX4GT 1B3GT 5U4G 5U4G 21YP4
- Main principle
- Superhet with RF-stage
- Wave bands
- VHF incl. FM and/or UHF (see notes for details)
- Power type and voltage
- Alternating Current supply (AC) / 105-120 Volt
- Loudspeaker
- Permanent Magnet Dynamic (PDyn) Loudspeaker (moving coil) / Ø 10 inch = 25.4 cm
- Power out
- 2.5 W (unknown quality)
- Material
- Wooden case
- from Radiomuseum.org
- Model: H-830KU21 Ch= V-2273-134 - Westinghouse El. & Mfg. Co. -
- Shape
- Console with any shape - in general
- Notes
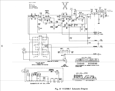
- The Westinghouse H-830KU21 is a 21" b/w TV with US standard VHF tuner channels 2 thru 13, 14 thru 83 UHF. Equipped with chassis V-2273-134, VHF tuner V-12100-1, UHF tuner V-11972-1 (H-804) and picture tube 21YP4. Cabinet is Mahogany.
- Literature/Schematics (1)
- - - Manufacturers Literature (Westinghouse Datasheets RM4002 RM4028 RM4062 RM3388 RM3378)
- Author
- Model page created by John Kusching. See "Data change" for further contributors.
- Other Models
-
Here you find 3155 models, 1761 with images and 2671 with schematics for wireless sets etc. In French: TSF for Télégraphie sans fil.
All listed radios etc. from Westinghouse El. & Mfg. Co. - see also Canadian W.