H-853K24A(V) Ch= V-2318-21
Westinghouse El. & Mfg. Co. - see also Canadian W.
- Land
- USA
- Hersteller / Marke
- Westinghouse El. & Mfg. Co. - see also Canadian W.
- Jahr
- 1955 ?
- Kategorie
- Fernseh-Empfänger/Monitor
- Radiomuseum.org ID
- 330490
-
- anderer Name: Westinghouse El. Int.
Klicken Sie auf den Schaltplanausschnitt, um diesen kostenlos als Dokument anzufordern.
- Anzahl Röhren
- 24
- Röhren
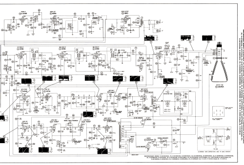
- 6BQ7A 6AT8 6CB6 6CB6 6CB6 12BY7 6AU6 6AN8 6BN6 6BK5 6CS6 12AU7 12B4A 6AL5 12AU7 6CD6G 6AU4GT 1B3GT 5U4G 5U4G 24DP4A 6BE6 6BA6 6AV6
- Hauptprinzip
- Super mit HF-Vorstufe
- Wellenbereiche
- Wellen in den Bemerkungen.
- Betriebsart / Volt
- Wechselstromspeisung / 60 Hz, 117V = 110 -120 Volt
- Lautsprecher
- 2 Lautsprecher
- Material
- Gerät mit Holzgehäuse
- von Radiomuseum.org
- Modell: H-853K24ACh= V-2318-21 - Westinghouse El. & Mfg. Co. -
- Form
- Tischmodell, Zusatz nicht bekannt - allgemein.
- Bemerkung
-
Westinghouse model H-853K24A(V) is a 24” b/w TV with US standard VHF tuner channels 2 thru 13. Equipped with chassis V-2318-21, VHF tuner V-15460-1 and picture tube 24DP4A.
- Literatur/Schema (1)
- Photofact Folder, Howard W. SAMS (Set 296 Folder 11 dated 11-55)
- Autor
- Modellseite von Dirk Taekels angelegt. Siehe bei "Änderungsvorschlag" für weitere Mitarbeit.
- Weitere Modelle
-
Hier finden Sie 3157 Modelle, davon 1761 mit Bildern und 2673 mit Schaltbildern.
Alle gelisteten Radios usw. von Westinghouse El. & Mfg. Co. - see also Canadian W.