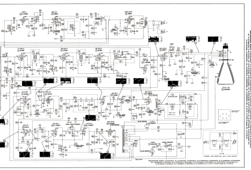
H-854KU24A Ch= V-2328-101
Westinghouse El. & Mfg. Co. - see also Canadian W.
- País
- Estados Unidos
- Fabricante / Marca
- Westinghouse El. & Mfg. Co. - see also Canadian W.
- Año
- 1955 ?
- Categoría
- Televisión (TV) o monitor
- Radiomuseum.org ID
- 330656
-
- alternative name: Westinghouse El. Int.
Haga clic en la miniatura esquemática para solicitarlo como documento gratuito.
- Numero de valvulas
- 25
- Válvulas
- 6AF4 6BQ7A 6U8 6CB6 6CB6 6CB6 12BY7 6AU6 6AN8 6BN6 6BK5 6CS6 12AU7 12B4A 6AL5 12AU7 6CD6G 6AU4GT 1B3GT 5U4G 5U4G 24DP4A 6BE6 6BA6 6AV6
- Principio principal
- Superheterodino con paso previo de RF
- Gama de ondas
- Bandas de recepción puestas en notas.
- Tensión de funcionamiento
- Red: Corriente alterna (CA, Inglés = AC) / 60 Hz, 117V = 110 -120 Volt
- Altavoz
- 2 Altavoces
- Material
- Madera
- de Radiomuseum.org
- Modelo: H-854KU24A Ch= V-2328-101 - Westinghouse El. & Mfg. Co. -
- Forma
- Sobremesa de cualquier forma, detalles no conocidos.
- Anotaciones
-
Westinghouse model H-854KU24A is a 24” b/w TV with US standard VHF tuner channels 2 thru 13, and 14 thru 83 UHF. Equipped with chassis V-2328-101, radio chassis V2189-6, VHF- UHF tuner V-14130-1 and picture tube 24DP4A.
- Documentación / Esquemas (1)
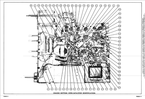
- Photofact Folder, Howard W. SAMS (Set 296 Folder 11 dated 11-55)
- Autor
- Modelo creado por Dirk Taekels. Ver en "Modificar Ficha" los participantes posteriores.
- Otros modelos
-
Donde encontrará 3155 modelos, 1761 con imágenes y 2671 con esquemas.
Ir al listado general de Westinghouse El. & Mfg. Co. - see also Canadian W.