H-881KU24A Ch= V-2328-101
Westinghouse El. & Mfg. Co. - see also Canadian W.
- Country
- United States of America (USA)
- Manufacturer / Brand
- Westinghouse El. & Mfg. Co. - see also Canadian W.
- Year
- 1955 ?
- Category
- Television Receiver (TV) or Monitor
- Radiomuseum.org ID
- 330671
-
- alternative name: Westinghouse El. Int.
Click on the schematic thumbnail to request the schematic as a free document.
- Number of Tubes
- 25
- Valves / Tubes
- 6AF4 6BQ7A 6U8 6CB6 6CB6 6CB6 12BY7 6AU6 6AN8 6BN6 6BK5 6CS6 12AU7 12B4A 6AL5 12AU7 6CD6G 6AU4GT 1B3GT 5U4G 5U4G 24DP4A 6BE6 6BA6 6AV6
- Main principle
- Superhet with RF-stage
- Wave bands
- Wave Bands given in the notes.
- Power type and voltage
- Alternating Current supply (AC) / 60 Hz, 117V = 110 -120 Volt
- Loudspeaker
- 2 Loudspeakers
- Material
- Wooden case
- from Radiomuseum.org
- Model: H-881KU24A Ch= V-2328-101 - Westinghouse El. & Mfg. Co. -
- Shape
- Tablemodel, with any shape - general.
- Notes
-
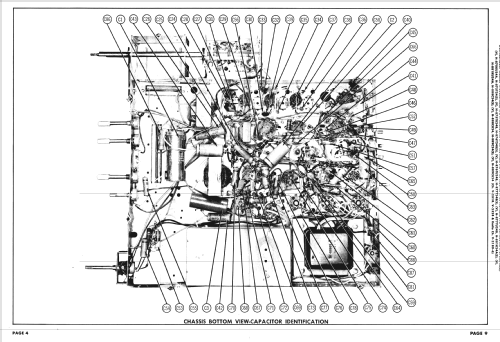
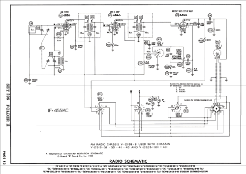
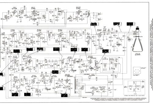
Westinghouse model H-881KU24A is a 24” b/w TV with US standard VHF tuner channels 2 thru 13, and 14 thru 83 UHF. Equipped with chassis V-2328-101, radio chassis V2189-6, VHF- UHF tuner V-14130-1 and picture tube 24DP4A.
- Literature/Schematics (1)
- Photofact Folder, Howard W. SAMS (Set 296 Folder 11 dated 11-55)
- Author
- Model page created by Dirk Taekels. See "Data change" for further contributors.
- Other Models
-
Here you find 3157 models, 1761 with images and 2673 with schematics for wireless sets etc. In French: TSF for Télégraphie sans fil.
All listed radios etc. from Westinghouse El. & Mfg. Co. - see also Canadian W.