• Año
  • 1955 ?
  • Categoría
  • Televisión (TV) o monitor
  • Radiomuseum.org ID
  • 330617
    • alternative name: Westinghouse El. Int.

Haga clic en la miniatura esquemática para solicitarlo como documento gratuito.

 Especificaciones técnicas

  • Numero de valvulas
  • 24
  • Principio principal
  • Superheterodino con paso previo de RF
  • Gama de ondas
  • Bandas de recepción puestas en notas.
  • Tensión de funcionamiento
  • Red: Corriente alterna (CA, Inglés = AC) / 60 Hz, 117V = 110 -120 Volt
  • Altavoz
  • 2 Altavoces
  • Material
  • Madera
  • de Radiomuseum.org
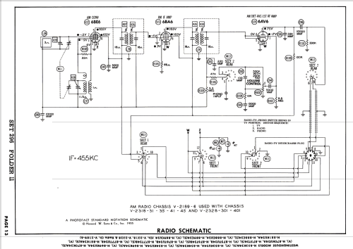
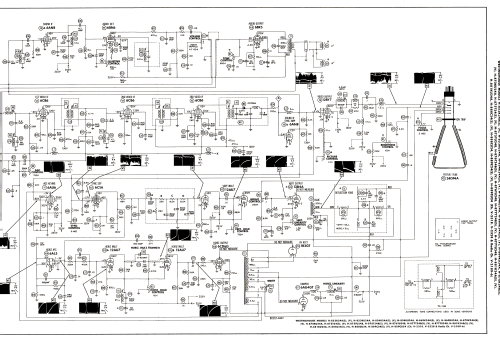
  • Modelo: H-888C24Ch= V-2318-45 - Westinghouse El. & Mfg. Co. -
  • Forma
  • Sobremesa de cualquier forma, detalles no conocidos.
  • Anotaciones
  • Westinghouse model H-888C24(S) is a 24” b/w TV with US standard VHF tuner channels 2 thru 13. Equipped with radio chassis V-2189-6, chassis V-2318-45, VHF tuner V-14170-2 and picture tube 24DP4A.

     

  • Autor
  • Modelo creado por Dirk Taekels. Ver en "Modificar Ficha" los participantes posteriores.

 Colecciones | Museos | Literatura

 Forum