H-906K21(V) Ch= V-2315-21
Westinghouse El. & Mfg. Co. - see also Canadian W.
- Pays
- Etats-Unis
- Fabricant / Marque
- Westinghouse El. & Mfg. Co. - see also Canadian W.
- Année
- 1955 ?
- Catégorie
- Récepteur de télévision ou moniteur
- Radiomuseum.org ID
- 329826
-
- alternative name: Westinghouse El. Int.
Cliquez sur la vignette du schéma pour le demander en tant que document gratuit.
- No. de tubes
- 19
- Lampes / Tubes
- 6BQ7A 6AT8 6CB6 6CB6 6CB6 12BY7 6AN8 6AN8 6BN6 6BK5 6CS6 12B4A 6AL5 12AU7 6BQ6GA 6AX4GT 1B3GT 5U4GB 21ALP4A
- Principe général
- Super hétérodyne avec étage HF
- Gammes d'ondes
- Bandes en notes
- Tension / type courant
- Alimentation Courant Alternatif (CA) / 60 Hz, 117V = 110 -120 Volt
- Haut-parleur
- HP dynamique à aimant permanent + bobine mobile
- Matière
- Boitier en bois
- De Radiomuseum.org
- Modèle: H-906K21Ch= V-2315-21 - Westinghouse El. & Mfg. Co. -
- Forme
- Console avec pieds bas < 50% de la hauteur
- Remarques
-
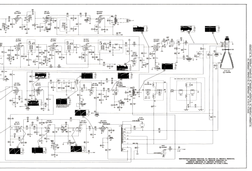
Westinghouse model H-906K21(V) is a 21” b/w TV with US standard VHF tuner channels 2 thru 13.Equipped with chassis V-2315-21, VHF tuner V-15460-1 and picture tube 21ALP4A.
- Schémathèque (1)
- Photofact Folder, Howard W. SAMS (Set 294 Folder 11 dated 10-55)
- Auteur
- Modèle crée par Dirk Taekels. Voir les propositions de modification pour les contributeurs supplémentaires.
- D'autres Modèles
-
Vous pourrez trouver sous ce lien 3155 modèles d'appareils, 1761 avec des images et 2671 avec des schémas.
Tous les appareils de Westinghouse El. & Mfg. Co. - see also Canadian W.