H-920TU17A Ch= V-2341-41
Westinghouse El. & Mfg. Co. - see also Canadian W.
- Country
- United States of America (USA)
- Manufacturer / Brand
- Westinghouse El. & Mfg. Co. - see also Canadian W.
- Year
- 1956 ?
- Category
- Television Receiver (TV) or Monitor
- Radiomuseum.org ID
- 267333
-
- alternative name: Westinghouse El. Int.
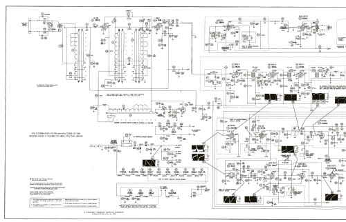
Click on the schematic thumbnail to request the schematic as a free document.
- Number of Tubes
- 17
- Valves / Tubes
- 4BQ7A 5AT8 3BZ6 3BZ6 3CB6 12BY7A 5AN8 3BN6 12BK5 3CS6 12B4A 3AL5 7AU7 12CU6 12AX4GT 1B3GT 21ALP4A
- Main principle
- Superhet with RF-stage
- Wave bands
- VHF incl. FM and/or UHF (see notes for details)
- Power type and voltage
- Alternating Current supply (AC) / 60 cycles, 117V= 105 -120 Volt
- Loudspeaker
- Permanent Magnet Dynamic (PDyn) Loudspeaker (moving coil) / Ø 5 inch = 12.7 cm
- Material
- Wooden case
- from Radiomuseum.org
- Model: H-920TU17A Ch= V-2341-41 - Westinghouse El. & Mfg. Co. -
- Shape
- Tablemodel, with any shape - general.
- Notes
-
The WESTINGHOUSE model H-920TU17A is a 21" b/w TV with US standard VHF Tuner channels 2 thru 13 .Equipped with VHF-tuner V-15560-1, chassis V-2341-41 and picture tube 21ALP4A. 2x Selenium Rectifier
Changes made during late production can be found in " Production Changes Bulletin 178 "
Set 345 Folder 1 date 1-57.
- Literature/Schematics (1)
- Photofact Folder, Howard W. SAMS (Set 311 Folder 18 dated 3-56)
- Literature/Schematics (2)
- Photofact Folder, Howard W. SAMS (Set 345 Folder 1 dated 1-57)
- Author
- Model page created by Dirk Taekels. See "Data change" for further contributors.
- Other Models
-
Here you find 3157 models, 1761 with images and 2673 with schematics for wireless sets etc. In French: TSF for Télégraphie sans fil.
All listed radios etc. from Westinghouse El. & Mfg. Co. - see also Canadian W.