H-928T21C Ch= V-2341-45
Westinghouse El. & Mfg. Co. - see also Canadian W.
- Land
- USA
- Hersteller / Marke
- Westinghouse El. & Mfg. Co. - see also Canadian W.
- Jahr
- 1956 ?
- Kategorie
- Fernseh-Empfänger/Monitor
- Radiomuseum.org ID
- 267545
-
- anderer Name: Westinghouse El. Int.
Klicken Sie auf den Schaltplanausschnitt, um diesen kostenlos als Dokument anzufordern.
- Anzahl Röhren
- 17
- Röhren
- 3BC5 5U8 3BZ6 3BZ6 3CB6 12BY7A 5AN8 3BN6 12BK5 3CS6 12B4A 3AL5 7AU7 12CU6 12AX4GT 1B3GT 21ALP4A
- Hauptprinzip
- Super mit HF-Vorstufe
- Wellenbereiche
- VHF/UHF (siehe Bemerkungen)
- Betriebsart / Volt
- Wechselstromspeisung / 60 cycles, 117V = 105 -120 Volt
- Lautsprecher
- Dynamischer LS, keine Erregerspule (permanentdynamisch) / Ø 5 inch = 12.7 cm
- Material
- Gerät mit Holzgehäuse
- von Radiomuseum.org
- Modell: H-928T21C Ch= V-2341-45 - Westinghouse El. & Mfg. Co. -
- Form
- Tischmodell, Zusatz nicht bekannt - allgemein.
- Bemerkung
-
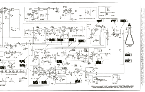
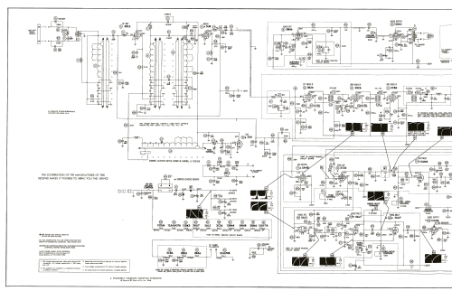
The WESTINGHOUSE model H-928T21C is a 21" b/w TV with US standard VHF Tuner channels 2 thru 13 .Equipped with VHF-tuner V-16050-1, chassis V-2341-15 and picture tube 21ALP4A. 2x Selenium Rectifier
Changes made during late production can be found in " Production Changes Bulletin 178 "
Set 345 Folder 1 date 1-57.
- Literatur/Schema (1)
- Photofact Folder, Howard W. SAMS (Set 311 Folder 18 dated 3-56)
- Literatur/Schema (2)
- Photofact Folder, Howard W. SAMS (Set 345 Folder 1 dated 1-57)
- Autor
- Modellseite von Dirk Taekels angelegt. Siehe bei "Änderungsvorschlag" für weitere Mitarbeit.
- Weitere Modelle
-
Hier finden Sie 3155 Modelle, davon 1761 mit Bildern und 2671 mit Schaltbildern.
Alle gelisteten Radios usw. von Westinghouse El. & Mfg. Co. - see also Canadian W.