H-934TU21 Ch= V-2352-204
Westinghouse El. & Mfg. Co. - see also Canadian W.
- País
- Estados Unidos
- Fabricante / Marca
- Westinghouse El. & Mfg. Co. - see also Canadian W.
- Año
- 1956 ?
- Categoría
- Televisión (TV) o monitor
- Radiomuseum.org ID
- 275733
-
- alternative name: Westinghouse El. Int.
Haga clic en la miniatura esquemática para solicitarlo como documento gratuito.
- Numero de valvulas
- 17
- Válvulas
- 5BK7A 5U8 2AF4 3BZ6 3BZ6 3CB6 12BY7A 5AN8 3BN6 12BK5 3CS6 12B4A 3AL5 7AU7 12BQ6GTB or 12CU6 1B3GT 21ALP4A
- Principio principal
- Superheterodino con paso previo de RF
- Gama de ondas
- VHF/UHF (see notes for details)
- Tensión de funcionamiento
- Red: Corriente alterna (CA, Inglés = AC) / 60 cycles, 117V = 110 -120 Volt
- Altavoz
- Altavoz dinámico (de imán permanente) / Ø 5 inch = 12.7 cm
- Material
- Madera
- de Radiomuseum.org
- Modelo: H-934TU21 Ch= V-2352-204 - Westinghouse El. & Mfg. Co. -
- Forma
- Sobremesa de cualquier forma, detalles no conocidos.
- Anotaciones
-
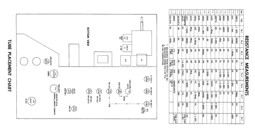
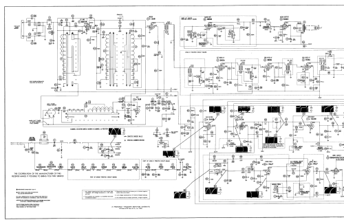
The Westinghouse model H-934TU21 is a 21" b/w TV with US standard VHF Tuner channels 2 thru 13, 14 thru 83 UHF.Equipped with VHF-tuner V-15880, UHF-tuner V-15890, chassis V-2352- 204 and picture tube 21ALP4A.
- Documentación / Esquemas (1)
- Photofact Folder, Howard W. SAMS (Set 313 Folder 14)
- Documentación / Esquemas (2)
- Photofact Folder, Howard W. SAMS (Set 332 Folder 1 dated 10-56)
- Autor
- Modelo creado por Dirk Taekels. Ver en "Modificar Ficha" los participantes posteriores.
- Otros modelos
-
Donde encontrará 3157 modelos, 1761 con imágenes y 2673 con esquemas.
Ir al listado general de Westinghouse El. & Mfg. Co. - see also Canadian W.