H-941K21 Ch= V-2342-24
Westinghouse El. & Mfg. Co. - see also Canadian W.
- Pays
- Etats-Unis
- Fabricant / Marque
- Westinghouse El. & Mfg. Co. - see also Canadian W.
- Année
- 1956 ?
- Catégorie
- Récepteur de télévision ou moniteur
- Radiomuseum.org ID
- 276070
-
- alternative name: Westinghouse El. Int.
Cliquez sur la vignette du schéma pour le demander en tant que document gratuit.
- No. de tubes
- 16
- Lampes / Tubes
- 5BK7A 5U8 3BZ6 3BZ6 3CB6 12BY7A 5AN8 3BN6 12BK5 3CS6 12B4A 3AL5 7AU7 12BQ6GTB or 12CU6 1B3GT 21ALP4A
- Principe général
- Super hétérodyne avec étage HF
- Gammes d'ondes
- VHF/UHF (voir details en note)
- Tension / type courant
- Alimentation Courant Alternatif (CA) / 60 cycles, 117V = 110 -120 Volt
- Haut-parleur
- HP dynamique à aimant permanent + bobine mobile / Ø 8 inch = 20.3 cm
- Matière
- Boitier en bois
- De Radiomuseum.org
- Modèle: H-941K21 Ch= V-2342-24 - Westinghouse El. & Mfg. Co. -
- Forme
- Modèle de table générique
- Remarques
-
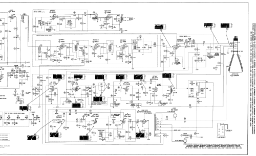
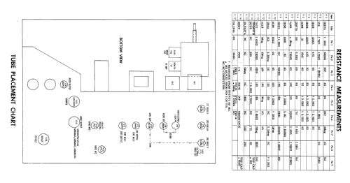
The Westinghouse model H-941K21 is a 21" b/w TV with US standard VHF Tuner channels 2 thru 13. Equipped with chassis V-2342-24, VHF tuner V-15880-1 and picture tube 21ALP4A.
- Schémathèque (1)
- Photofact Folder, Howard W. SAMS (Set 313 Folder 14)
- Schémathèque (2)
- Photofact Folder, Howard W. SAMS (Set 332 Folder 1 dated 10-56)
- Auteur
- Modèle crée par Dirk Taekels. Voir les propositions de modification pour les contributeurs supplémentaires.
- D'autres Modèles
-
Vous pourrez trouver sous ce lien 3155 modèles d'appareils, 1761 avec des images et 2671 avec des schémas.
Tous les appareils de Westinghouse El. & Mfg. Co. - see also Canadian W.