H-955K24 Ch= V-2342-24
Westinghouse El. & Mfg. Co. - see also Canadian W.
- Produttore / Marca
- Westinghouse El. & Mfg. Co. - see also Canadian W.
- Anno
- 1956 ?
- Categoria
- Televisore (TV) / Monitor
- Radiomuseum.org ID
- 276582
-
- alternative name: Westinghouse El. Int.
Clicca sulla miniatura dello schema per richiederlo come documento gratuito.
- Numero di tubi
- 16
- Valvole
- 5BK7A 5U8 3BZ6 3BZ6 3CB6 12BY7A 5AN8 3BN6 12BK5 3CS6 12B4A 3AL5 7AU7 12BQ6GTB or 12CU6 1B3GT 21ALP4A
- Principio generale
- Supereterodina con stadio RF
- Gamme d'onda
- VHF/UHF (ved. i dettagli nelle note)
- Tensioni di funzionamento
- Alimentazione a corrente alternata (CA) / 60 cycles, 117V = 110 -120 Volt
- Altoparlante
- AP magnetodinamico (magnete permanente e bobina mobile) / Ø 8 inch = 20.3 cm
- Materiali
- Mobile in legno
- Radiomuseum.org
- Modello: H-955K24 Ch= V-2342-24 - Westinghouse El. & Mfg. Co. -
- Forma
- Soprammobile con qualsiasi forma (non saputo).
- Annotazioni
-
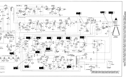
The Westinghouse model H-955K24 is a 21" b/w TV with US standard VHF Tuner channels 2 thru 13. Equipped with chassis V-2342-24, VHF tuner V-15880-1 and picture tube 21ALP4A.
- Letteratura / Schemi (1)
- Photofact Folder, Howard W. SAMS (Set 313 Folder 14)
- Letteratura / Schemi (2)
- Photofact Folder, Howard W. SAMS (Set 332 Folder 1 dated 10-56)
- Autore
- Modello inviato da Dirk Taekels. Utilizzare "Proponi modifica" per inviare ulteriori dati.
- Altri modelli
-
In questo link sono elencati 3155 modelli, di cui 1761 con immagini e 2671 con schemi.
Elenco delle radio e altri apparecchi della Westinghouse El. & Mfg. Co. - see also Canadian W.