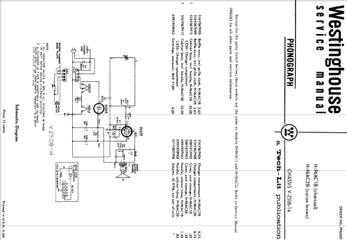
H-96AC2B Ch= V-2508-14
Westinghouse El. & Mfg. Co. - see also Canadian W.
- Pays
- Etats-Unis
- Fabricant / Marque
- Westinghouse El. & Mfg. Co. - see also Canadian W.
- Année
- 1964
- Catégorie
- Enrégistreur et/ou reproducteur son/video
- Radiomuseum.org ID
- 216233
-
- alternative name: Westinghouse El. Int.
Cliquez sur la vignette du schéma pour le demander en tant que document gratuit.
- No. de tubes
- 2
- Principe général
- Amplification audio
- Gammes d'ondes
- - sans
- Particularités
- Electrophone avec HP
- Tension / type courant
- Alimentation Courant Alternatif (CA) / 108-130 Volt
- Haut-parleur
- HP dynamique à aimant permanent + bobine mobile / Ø 4 inch = 10.2 cm
- Matière
- Cuir / canvas / plastique mais autre matériel en dessous!
- De Radiomuseum.org
- Modèle: H-96AC2B Ch= V-2508-14 - Westinghouse El. & Mfg. Co. -
- Forme
- Modèle de table boitier avec vouvercle
- Remarques
- The Westinghouse Model H-96AC2B is a portable AC Operated 2 Tube Mono Amplifier with 4 Speed Automatic Record Changer. Has Qty(1) PM 4" speaker. Cabinet color is Cocoa Brown. Uses Record Changer 670V026H03, with speeds of 16, 33, 45 and 78 RPM. For service information and schematic, refer to Westinghouse model H-96AC2. Westinghouse model H-96AC1B uses the same chassis and schematic, the difference being cabinet color.
- Schémathèque (1)
- - - Manufacturers Literature (Westinghouse Datasheets PH6059 PH6043)
- Auteur
- Modèle crée par John Kusching. Voir les propositions de modification pour les contributeurs supplémentaires.
- D'autres Modèles
-
Vous pourrez trouver sous ce lien 3157 modèles d'appareils, 1761 avec des images et 2673 avec des schémas.
Tous les appareils de Westinghouse El. & Mfg. Co. - see also Canadian W.