H-F1001 Ch= V-2507-1
Westinghouse El. & Mfg. Co. - see also Canadian W.
- Produttore / Marca
- Westinghouse El. & Mfg. Co. - see also Canadian W.
- Anno
- 1959 ?
- Categoria
- Registratore audio/video e/o riproduttore
- Radiomuseum.org ID
- 78961
-
- alternative name: Westinghouse El. Int.
Clicca sulla miniatura dello schema per richiederlo come documento gratuito.
- Numero di tubi
- 3
- Principio generale
- Amplificatore audio
- Gamme d'onda
- - senza
- Particolarità
- Giradischi+AmplifBF+Altoparlant
- Tensioni di funzionamento
- Alimentazione a corrente alternata (CA) / 117 Volt
- Altoparlante
- 2 altoparlanti / Ø 6 inch = 15.2 cm
- Radiomuseum.org
- Modello: H-F1001 Ch= V-2507-1 - Westinghouse El. & Mfg. Co. -
- Annotazioni
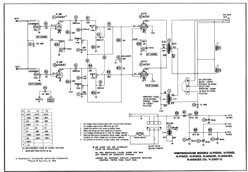
- AC operated stereo amplifier with 4 speed automatic record changer. Sams photofact set 492 folder 26 date 7-60 features the Westinghouse models H-F1000, H-F1001, H-F1002, H-F1003, H-60ACS1, H-60ACS2 and H-60ACS3 as the same schematic.
- Riferimenti schemi
- Beitman Radio Diagrams Vol. 20, 1960
- Letteratura / Schemi (1)
- Photofact Folder, Howard W. SAMS (Set 492 folder 26 date 7-60)
- Autore
- Modello inviato da Trev Levick. Utilizzare "Proponi modifica" per inviare ulteriori dati.
- Altri modelli
-
In questo link sono elencati 3157 modelli, di cui 1761 con immagini e 2673 con schemi.
Elenco delle radio e altri apparecchi della Westinghouse El. & Mfg. Co. - see also Canadian W.