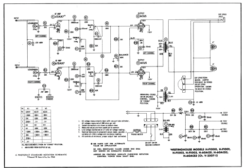
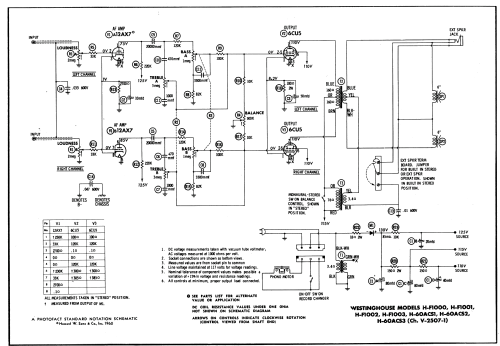
H-F1002 Ch= V-2507-1
Westinghouse El. & Mfg. Co. - see also Canadian W.
- Country
- United States of America (USA)
- Manufacturer / Brand
- Westinghouse El. & Mfg. Co. - see also Canadian W.
- Year
- 1959 ?
- Category
- Sound/Video Recorder and/or Player
- Radiomuseum.org ID
- 78960
-
- alternative name: Westinghouse El. Int.
Click on the schematic thumbnail to request the schematic as a free document.
- Number of Tubes
- 3
- Main principle
- Audio-Amplification
- Wave bands
- - without
- Details
- Rec.Player+Audio.Amp+LS
- Power type and voltage
- Alternating Current supply (AC) / 117 Volt
- Loudspeaker
- 2 Loudspeakers / Ø 6 inch = 15.2 cm
- from Radiomuseum.org
- Model: H-F1002 Ch= V-2507-1 - Westinghouse El. & Mfg. Co. -
- Notes
- AC operated stereo amplifier with 4 speed automatic record changer. Sams photofact set 492 folder 26 date 7-60 features the Westinghouse models H-F1000, H-F1001, H-F1002, H-F1003, H-60ACS1, H-60ACS2 and H-60ACS3 as the same schematic.
- Circuit diagram reference
- Beitman Radio Diagrams Vol. 20, 1960
- Literature/Schematics (1)
- Photofact Folder, Howard W. SAMS (Set 492 folder 26 date 7-60)
- Author
- Model page created by Trev Levick. See "Data change" for further contributors.
- Other Models
-
Here you find 3155 models, 1761 with images and 2671 with schematics for wireless sets etc. In French: TSF for Télégraphie sans fil.
All listed radios etc. from Westinghouse El. & Mfg. Co. - see also Canadian W.