HR-113AN Ch= V-2503-1
Westinghouse El. & Mfg. Co. - see also Canadian W.
- Country
- United States of America (USA)
- Manufacturer / Brand
- Westinghouse El. & Mfg. Co. - see also Canadian W.
- Year
- 1958
- Category
- Broadcast Receiver - or past WW2 Tuner
- Radiomuseum.org ID
- 169587
-
- alternative name: Westinghouse El. Int.
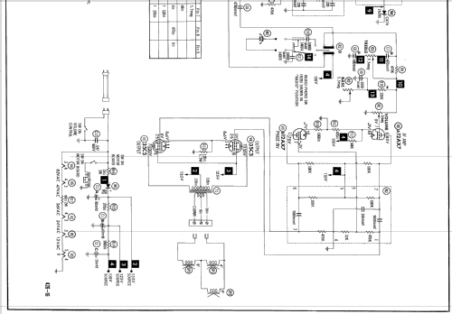
Click on the schematic thumbnail to request the schematic as a free document.
- Number of Tubes
- 5
- Main principle
- Superheterodyne (common); ZF/IF 455 kHz
- Tuned circuits
- 6 AM circuit(s)
- Wave bands
- Broadcast only (MW).
- Details
- Changer (Record changer)
- Power type and voltage
- Alternating Current supply (AC) / 105 - 120 Volt
- Loudspeaker
- 3 Loudspeakers
- Material
- Wooden case
- from Radiomuseum.org
- Model: HR-113AN Ch= V-2503-1 - Westinghouse El. & Mfg. Co. -
- Shape
- Console, Lowboy (legs < 50 %).
- Notes
- The Westinghouse Model HR-113AN is an AC operated 5 tube AM Receiver with 4 Speed Automatic Record Changer.
- Literature/Schematics (1)
- Photofact Folder, Howard W. SAMS (Date 1-59, Set 426, Folder 16)
- Author
- Model page created by Egon Penker. See "Data change" for further contributors.
- Other Models
-
Here you find 3157 models, 1761 with images and 2673 with schematics for wireless sets etc. In French: TSF for Télégraphie sans fil.
All listed radios etc. from Westinghouse El. & Mfg. Co. - see also Canadian W.