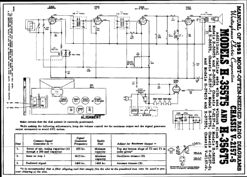
H356T5 Ch= V-2157-5
Westinghouse El. & Mfg. Co. - see also Canadian W.
- Produttore / Marca
- Westinghouse El. & Mfg. Co. - see also Canadian W.
- Anno
- 1952 ?
- Categoria
- Radio (o sintonizzatore del dopoguerra WW2)
- Radiomuseum.org ID
- 66367
-
- alternative name: Westinghouse El. Int.
Clicca sulla miniatura dello schema per richiederlo come documento gratuito.
- Numero di tubi
- 5
- Principio generale
- Supereterodina (in generale); ZF/IF 455 kHz; 2 Stadi BF
- N. di circuiti accordati
- 6 Circuiti Mod. Amp. (AM)
- Gamme d'onda
- Solo onde medie (OM).
- Tensioni di funzionamento
- Alimentazione a corrente alternata (CA) / 60 Hz, 117V = 110 -120 Volt
- Altoparlante
- AP magnetodinamico (magnete permanente e bobina mobile)
- Materiali
- Bachelite
- Radiomuseum.org
- Modello: H356T5 Ch= V-2157-5 - Westinghouse El. & Mfg. Co. -
- Forma
- Soprammobile con orologio (radio-orologio, radiosveglia).
- Annotazioni
-
Westinghouse model H-356T5 is an AC operated superheterodyne receiver with electric clock. Painted bakelite clock-radio.
- Fonte esterna dei dati
- Ernst Erb
- Fonte dei dati
- The Radio Collector's Directory and Price Guide 1921 - 1965
- Riferimenti schemi
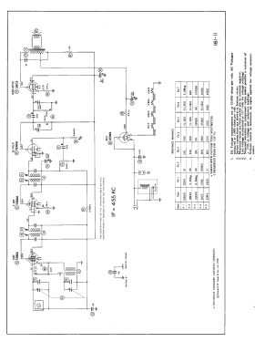
- Rider's Perpetual, Volume 23 (last), covering up to 1954
- Bibliografia
- Collector's Guide to Antique Radios 4. Edition (Beitman Radio Diagrams 1952)
- Letteratura / Schemi (1)
- Photofact Folder, Howard W. SAMS (Date 3-52, Set 161, Folder 11)
- Letteratura / Schemi (2)
- Machine Age to Jet Age II (page 310.)
- Altri modelli
-
In questo link sono elencati 3155 modelli, di cui 1761 con immagini e 2671 con schemi.
Elenco delle radio e altri apparecchi della Westinghouse El. & Mfg. Co. - see also Canadian W.