FT-101ZD Mk III
Yaesu-Musen Co. Ltd.; Tokyo
- Country
- Japan
- Manufacturer / Brand
- Yaesu-Musen Co. Ltd.; Tokyo
- Year
- 1979 ??
- Category
- Amateur TRX: Transmitter/Receiver (and Transceiver)
- Radiomuseum.org ID
- 143237
Click on the schematic thumbnail to request the schematic as a free document.
- Number of Tubes
- 3
- Number of Transistors
- 110
- Semiconductors
- Main principle
- Superheterodyne (common); ZF/IF 8987.5 kHz
- Wave bands
- Short Wave (SW only)
- Power type and voltage
- Line plus power jack, mostly with battery or storage battery / AC 100; 110; 117; 220; 234 / DC 13,8 Volt
- Loudspeaker
- Permanent Magnet Dynamic (PDyn) Loudspeaker (moving coil) / Ø 8 cm = 3.1 inch
- Power out
- 3 W (unknown quality)
- Material
- Metal case
- from Radiomuseum.org
- Model: FT-101ZD [Mk III] - Yaesu-Musen Co. Ltd.; Tokyo
- Shape
- Tablemodel, low profile (big size).
- Dimensions (WHD)
- 342 x 157 x 326 mm / 13.5 x 6.2 x 12.8 inch
- Notes
- Yaesu KW-Transceiver FT-101ZD.
Frequenzbereiche: 10 m, 15 m, 20 m, 40 m, 80 m, 160 m; 5,0-5,5 MHz nur WWV-Empfang; für den Betrieb auf den WARC-Bändern vorbereitet; Betriebsarten: SSB, CW, AM; Sender-Eingangsleistung: 180 W bei SSB und CW, 50 W bei AM.
Batteriebetrieb über einen optionalem Spannungswandler, welcher grundsätzlich lediglich aus 2 Leistungstransistoren auf einem Kühlkörper besteht und den internen Netztransformator als Wandlertrafo verwendet.
FT-101Z ist identisch, jedoch mit analoger Frequenzanzeige.
The MkIII unlike earlier FT101 does not have the connector for the external DC power unit. However the cut-out is covered by a label and the mounting holes are there. Two units examined did have the extra wires in the transformer, so the connector can in theory be added.
- Net weight (2.2 lb = 1 kg)
- 15 kg / 33 lb 0.6 oz (33.04 lb)
- Price in first year of sale
- 2,348.00 DM
- Source of data
- -- Original-techn. papers.
- Literature/Schematics (1)
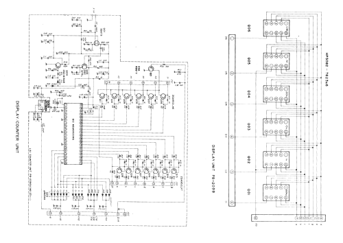
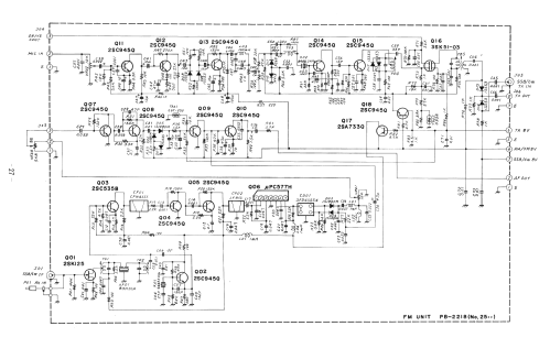
- Schaltbilder aus Original Service-Manual
- Author
- Model page created by Simon Reiger. See "Data change" for further contributors.
- Other Models
-
Here you find 306 models, 290 with images and 139 with schematics for wireless sets etc. In French: TSF for Télégraphie sans fil.
All listed radios etc. from Yaesu-Musen Co. Ltd.; Tokyo
Collections
The model is part of the collections of the following members.