Analog Multimeter YF-250
Yu Fong Electric Co. Ltd., YFE; Taipei
- Paese
- Taiwan
- Produttore / Marca
- Yu Fong Electric Co. Ltd., YFE; Taipei
- Anno
- 1980 ??
- Categoria
- Strumento da laboratorio
- Radiomuseum.org ID
- 316773
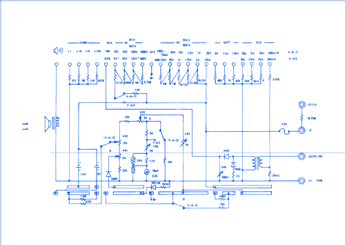
Clicca sulla miniatura dello schema per richiederlo come documento gratuito.
- Numero di transistor
- Gamme d'onda
- - senza
- Tensioni di funzionamento
- Batterie a secco / AA: 1 x 1,5 and PP3: 1 x 9 Volt
- Altoparlante
- -altoparlante presente ma di tipo ignoto.
- Materiali
- Plastica (non bachelite o catalina)
- Radiomuseum.org
- Modello: Analog Multimeter YF-250 - Yu Fong Electric Co. Ltd., YFE
- Forma
- Tascabile (portatile molto piccola), < 20 cm
- Dimensioni (LxAxP)
- 172 x 118 x 50 mm / 6.8 x 4.6 x 2 inch
- Annotazioni
-
Yu Fong Electronic Co. Ltd. Analog Multimeter YF-250
- Peso netto
- 0.470 kg / 1 lb 0.6 oz (1.035 lb)
- Letteratura / Schemi (1)
- -- Original-techn. papers.
- Autore
- Modello inviato da Miguel Bravo-Cos. Utilizzare "Proponi modifica" per inviare ulteriori dati.
- Altri modelli
-
In questo link sono elencati 24 modelli, di cui 20 con immagini e 14 con schemi.
Elenco delle radio e altri apparecchi della Yu Fong Electric Co. Ltd., YFE; Taipei