- Pays
- Pologne
- Fabricant / Marque
- Unitra ZRK, Zaklady Radiowe im. M. Kasprzaka
- Année
- 1960
- Catégorie
- Autoradio, ev. avec cassette
- Radiomuseum.org ID
- 107159
-
- Brand: Unitra
Cliquez sur la vignette du schéma pour le demander en tant que document gratuit.
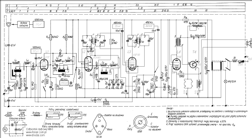
- No. de tubes
- 4
- No. de transistors
- 1
- Principe général
- Super hétérodyne avec étage HF
- Circuits accordés
- 7 Circuits MA (AM)
- Gammes d'ondes
- PO et GO
- Tension / type courant
- Accumulateur (par exemple pour autoradios ou radio) / 12 Volt
- Haut-parleur
- - Ce modèle nécessite des HP externes
- Matière
- Boitier métallique
- De Radiomuseum.org
- Modèle: Miki - Unitra ZRK, Zaklady Radiowe im
- Forme
- Chassis (pour intégration dans meuble)
- Remarques
- Das Autoradio Miki verwendet Niedervoltröhren,
kein Spanungswandler für die Anodenspannung erforderlich.
NF Eintakt-Transistorendstufe, Ruhestrom 0,4 A!
- Poids net
- 2 kg / 4 lb 6.5 oz (4.405 lb)
- Source
- -- Collector info (Sammler)
- Auteur
- Modèle crée par Franz Scharner. Voir les propositions de modification pour les contributeurs supplémentaires.
- D'autres Modèles
-
Vous pourrez trouver sous ce lien 216 modèles d'appareils, 188 avec des images et 93 avec des schémas.
Tous les appareils de Unitra ZRK, Zaklady Radiowe im. M. Kasprzaka