- Country
- United States of America (USA)
- Manufacturer / Brand
- Zenith Radio Corp.; Chicago, IL
- Year
- 1927
- Category
- Broadcast Receiver - or past WW2 Tuner
- Radiomuseum.org ID
- 67356
- 
        - alternative name: Chicago Radio Lab
 
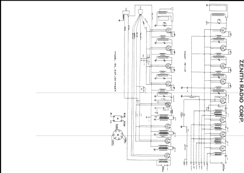
Click on the schematic thumbnail to request the schematic as a free document.
- Number of Tubes
- 8
- Main principle
- TRF without regeneration
- Tuned circuits
- 5 AM circuit(s)
- Wave bands
- Broadcast only (MW).
- Power type and voltage
- Storage and/or dry batteries / - Volt
- Material
- Wooden case
- from Radiomuseum.org
- Model: 15 - Zenith Radio Corp.; Chicago,
- Shape
- Tablemodel, slant panel.
- Price in first year of sale
- 185.00 $
- External source of data
- Ernst Erb
- Circuit diagram reference
- Rider's Perpetual, Volume 7 = 1936 and before
- Other Models
- 
        Here you find 4519 models, 4111 with images and 3656 with schematics for wireless sets etc. In French: TSF for Télégraphie sans fil. 
 All listed radios etc. from Zenith Radio Corp.; Chicago, IL
 
                
                
                
                
               