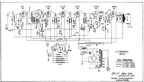
278 Ch= 2051
Zenith Radio Corp.; Chicago, IL
- País
- Estados Unidos
- Fabricante / Marca
- Zenith Radio Corp.; Chicago, IL
- Año
- 1934
- Categoría
- Radio - o Sintonizador pasado WW2
- Radiomuseum.org ID
- 67409
-
- alternative name: Chicago Radio Lab
Haga clic en la miniatura esquemática para solicitarlo como documento gratuito.
- Numero de valvulas
- 8
- Principio principal
- Superheterodino con paso previo de RF; ZF/IF 485 kHz
- Gama de ondas
- OM y más de dos OC
- Tensión de funcionamiento
- Red: Corriente alterna (CA, Inglés = AC) / 110-250 Volt
- Altavoz
- Altavoz electrodinámico (bobina de campo) / Ø 8 inch = 20.3 cm
- de Radiomuseum.org
- Modelo: 278 Ch= 2051 - Zenith Radio Corp.; Chicago,
- Ext. procedencia de los datos
- Ernst Erb
- Referencia esquema
- Rider's Perpetual, Volume 8 = 1937 and before
- Mencionado en
- Zenith Radio The Early Years 1919-1935
- Otros modelos
-
Donde encontrará 4517 modelos, 4109 con imágenes y 3653 con esquemas.
Ir al listado general de Zenith Radio Corp.; Chicago, IL