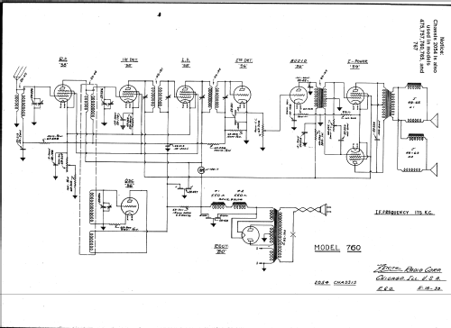
757 Ch= 2054
Zenith Radio Corp.; Chicago, IL
- País
- Estados Unidos
- Fabricante / Marca
- Zenith Radio Corp.; Chicago, IL
- Año
- 1934
- Categoría
- Radio - o Sintonizador pasado WW2
- Radiomuseum.org ID
- 67476
-
- alternative name: Chicago Radio Lab
Haga clic en la miniatura esquemática para solicitarlo como documento gratuito.
- Numero de valvulas
- 9
- Principio principal
- Superheterodino con paso previo de RF; ZF/IF 175 kHz
- Gama de ondas
- OM (onda media) solamente
- Tensión de funcionamiento
- Red: Corriente alterna (CA, Inglés = AC) / 115 Volt
- Altavoz
- Altavoz electrodinámico (bobina de campo)
- Material
- Madera
- de Radiomuseum.org
- Modelo: 757 Ch= 2054 - Zenith Radio Corp.; Chicago,
- Forma
- Sobremesa alto decorativa, similar a Capilla pero cuadrado (Tombstone, can have rounded edges).
- Anotaciones
- dual speaker
- Ext. procedencia de los datos
- Ernst Erb
- Referencia esquema
- Rider's Perpetual, Volume 4 = ca. 1934 and before
- Otros modelos
-
Donde encontrará 4519 modelos, 4111 con imágenes y 3656 con esquemas.
Ir al listado general de Zenith Radio Corp.; Chicago, IL