B2247E Ch= 17B20
Zenith Radio Corp.; Chicago, IL
- Pays
- Etats-Unis
- Fabricant / Marque
- Zenith Radio Corp.; Chicago, IL
- Année
- 1958
- Catégorie
- Récepteur de télévision ou moniteur
- Radiomuseum.org ID
- 190896
-
- alternative name: Chicago Radio Lab
Cliquez sur la vignette du schéma pour le demander en tant que document gratuit.
- No. de tubes
- 17
- Lampes / Tubes
- 21CXP4
- Principe général
- Super hétérodyne avec étage HF
- Gammes d'ondes
- VHF/UHF (voir details en note)
- Tension / type courant
- Alimentation Courant Alternatif (CA) / 110 - 120 Volt
- Haut-parleur
- HP dynamique à aimant permanent + bobine mobile
- De Radiomuseum.org
- Modèle: B2247E Ch= 17B20 - Zenith Radio Corp.; Chicago,
- Remarques
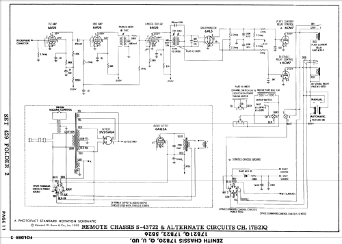
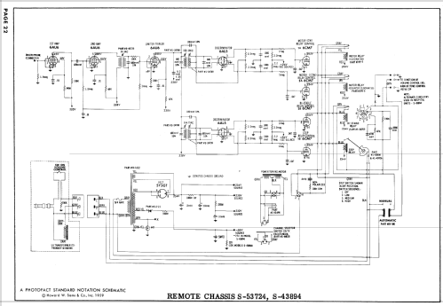
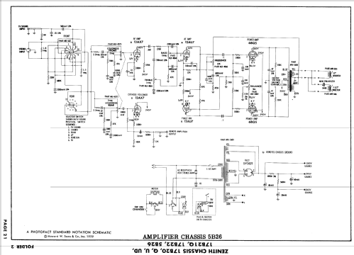
- 21" b/w TV with US standard VHF Tuner Channels 2 thru 13, 14 thru 83 UHF. Tubes UHF: 18. Some Models with Picture Tube 24AJP4.
- Schémathèque (1)
- Photofact Folder, Howard W. SAMS (Date 1-59, Set 429, Folder 2)
- Auteur
- Modèle crée par Egon Penker. Voir les propositions de modification pour les contributeurs supplémentaires.
- D'autres Modèles
-
Vous pourrez trouver sous ce lien 4519 modèles d'appareils, 4109 avec des images et 3653 avec des schémas.
Tous les appareils de Zenith Radio Corp.; Chicago, IL