C624W Empress CH= 6C03
Zenith Radio Corp.; Chicago, IL
- Pays
- Etats-Unis
- Fabricant / Marque
- Zenith Radio Corp.; Chicago, IL
- Année
- 1959 ?
- Catégorie
- Radio - ou tuner d'après la guerre 1939-45
- Radiomuseum.org ID
- 79096
-
- alternative name: Chicago Radio Lab
Cliquez sur la vignette du schéma pour le demander en tant que document gratuit.
- No. de tubes
- 6
- Principe général
- Super hétérodyne avec étage HF; FI/IF 455 kHz
- Circuits accordés
- 7 Circuits MA (AM)
- Gammes d'ondes
- PO uniquement
- Tension / type courant
- 117 Volt
- Haut-parleur
- HP dynamique à aimant permanent + bobine mobile / Ø 4 inch = 10.2 cm
- Matière
- Plastique moderne (pas de bakélite, ni de catalin)
- De Radiomuseum.org
- Modèle: C624W Empress CH= 6C03 - Zenith Radio Corp.; Chicago,
- Forme
- Modèle de table avec réveil ou horloge
- Dimensions (LHP)
- 13.5625 x 5.75 x 6.4375 inch / 344 x 146 x 164 mm
- Remarques
-
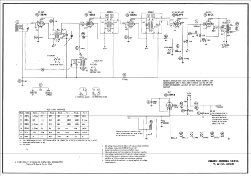
Sams photofact set 481 folder 15 date 4-60 features the Zenith models C624C, C624V and C624W as the same schematic.
The following table lists the various cabinet colors.
Model
Cabinet Color
C624C
Charcoal
C624V
Pink
C624W
White
- Source du schéma
- Beitman Radio Diagrams Vol. 20, 1960
- Littérature
- Machine Age to Jet Age II (page 328.)
- Schémathèque (1)
- Photofact Folder, Howard W. SAMS (Set 481 folder 15 date 4-60)
- Auteur
- Modèle crée par Trev Levick. Voir les propositions de modification pour les contributeurs supplémentaires.
- D'autres Modèles
-
Vous pourrez trouver sous ce lien 4517 modèles d'appareils, 4109 avec des images et 3653 avec des schémas.
Tous les appareils de Zenith Radio Corp.; Chicago, IL
Collections
Le modèle C624W Empress fait partie des collections des membres suivants.