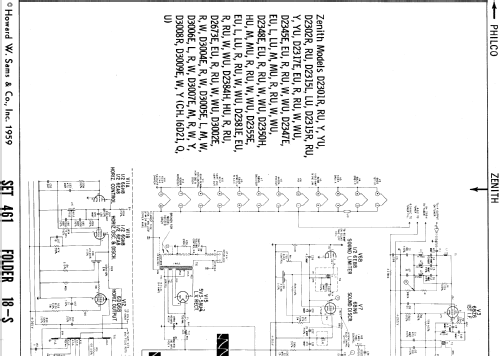
D2301RU, YU Ch= 16D21U
Zenith Radio Corp.; Chicago, IL
- Land
- USA
- Hersteller / Marke
- Zenith Radio Corp.; Chicago, IL
- Jahr
- 1959/1960
- Kategorie
- Fernseh-Empfänger/Monitor
- Radiomuseum.org ID
- 134332
-
- anderer Name: Chicago Radio Lab
Klicken Sie auf den Schaltplanausschnitt, um diesen kostenlos als Dokument anzufordern.
- Anzahl Röhren
- 16
- Röhren
- 21CXP4
- Hauptprinzip
- Superhet allgemein
- Wellenbereiche
- Wellen in den Bemerkungen.
- Betriebsart / Volt
- Wechselstromspeisung / 110 - 120 Volt
- Lautsprecher
- 2 Lautsprecher
- Material
- Gerät mit Holzgehäuse
- von Radiomuseum.org
- Modell: D2301RU, YU Ch= 16D21U - Zenith Radio Corp.; Chicago,
- Form
- Tischmodell, Zusatz nicht bekannt - allgemein.
- Bemerkung
- ~21" b/w TV with US standard VHF "Bandswitch" tuner. An additional suffix "U" stands for factory equipped with continuous UHF tuner. Exactly tube quantity unknown.
- Datenherkunft
- -- Original-techn. papers.
- Literatur/Schema (1)
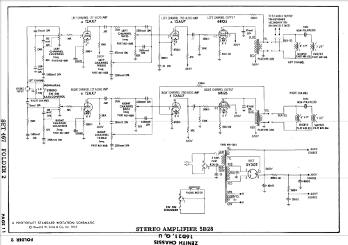
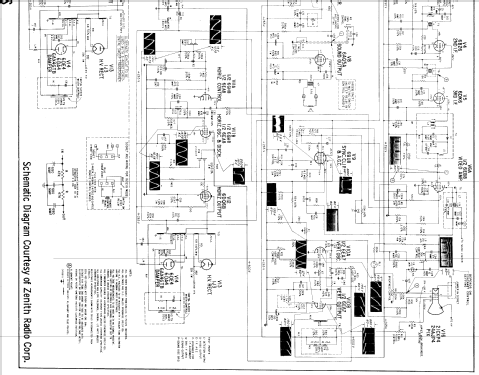
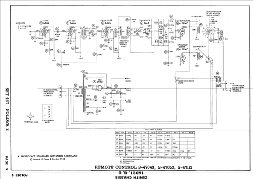
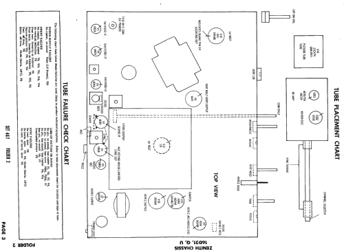
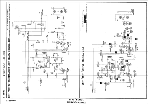
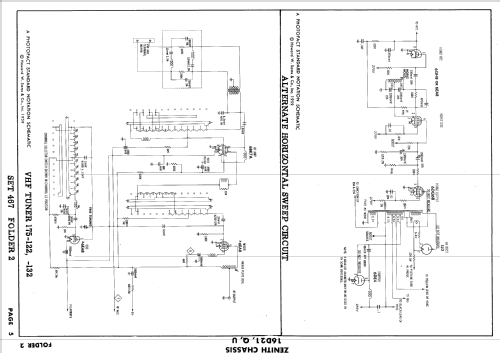
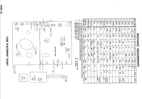
- Photofact Folder, Howard W. SAMS (Date 12-59, Set 467, Folder 2)
- Autor
- Modellseite von einem Mitglied aus A angelegt. Siehe bei "Änderungsvorschlag" für weitere Mitarbeit.
- Weitere Modelle
-
Hier finden Sie 4517 Modelle, davon 4109 mit Bildern und 3654 mit Schaltbildern.
Alle gelisteten Radios usw. von Zenith Radio Corp.; Chicago, IL