G402G Zenette Ch= 4G41
Zenith Radio Corp.; Chicago, IL
- País
- Estados Unidos
- Fabricante / Marca
- Zenith Radio Corp.; Chicago, IL
- Año
- 1952 ?
- Categoría
- Radio - o Sintonizador pasado WW2
- Radiomuseum.org ID
- 68181
-
- alternative name: Chicago Radio Lab
Haga clic en la miniatura esquemática para solicitarlo como documento gratuito.
- Numero de valvulas
- 4
- Principio principal
- Superheterodino en general; ZF/IF 455 kHz; 2 Etapas de AF
- Número de circuitos sintonía
- 6 Circuíto(s) AM
- Gama de ondas
- OM (onda media) solamente
- Tensión de funcionamiento
- Red / Baterías o pilas / AC/DC 117 / D: 1 x 1.5 & 67.5 Volt
- Altavoz
- Altavoz dinámico (de imán permanente) / Ø 3.5 inch = 8.9 cm
- de Radiomuseum.org
- Modelo: G402G Zenette Ch= 4G41 - Zenith Radio Corp.; Chicago,
- Forma
- Portátil > 20 cm (sin la necesidad de una red)
- Anotaciones
- green color(?); Selenium Rectifier.
- Ext. procedencia de los datos
- Ernst Erb
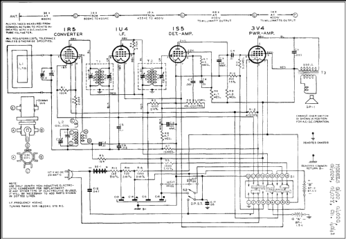
- Referencia esquema
- Rider's Perpetual, Volume 22, covering 1951
- Otros modelos
-
Donde encontrará 4517 modelos, 4109 con imágenes y 3653 con esquemas.
Ir al listado general de Zenith Radio Corp.; Chicago, IL