G402Y Zenette Ch= 4G41
Zenith Radio Corp.; Chicago, IL
- Produttore / Marca
- Zenith Radio Corp.; Chicago, IL
- Anno
- 1952 ?
- Categoria
- Radio (o sintonizzatore del dopoguerra WW2)
- Radiomuseum.org ID
- 68183
-
- alternative name: Chicago Radio Lab
Clicca sulla miniatura dello schema per richiederlo come documento gratuito.
- Numero di tubi
- 4
- Principio generale
- Supereterodina (in generale); ZF/IF 455 kHz; 2 Stadi BF
- N. di circuiti accordati
- 6 Circuiti Mod. Amp. (AM)
- Gamme d'onda
- Solo onde medie (OM).
- Tensioni di funzionamento
- Rete / Batterie (ogni tipo) / AC/DC 117 / D: 1 x 1.5 & 67.5 Volt
- Altoparlante
- AP magnetodinamico (magnete permanente e bobina mobile) / Ø 3.5 inch = 8.9 cm
- Radiomuseum.org
- Modello: G402Y Zenette Ch= 4G41 - Zenith Radio Corp.; Chicago,
- Forma
- Apparecchio portatile > 20 cm (senza la necessità di una rete)
- Annotazioni
- ebony black color; Selenium Rectifier.
- Fonte esterna dei dati
- Ernst Erb
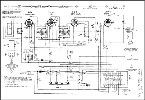
- Riferimenti schemi
- Rider's Perpetual, Volume 22, covering 1951
- Altri modelli
-
In questo link sono elencati 4519 modelli, di cui 4111 con immagini e 3656 con schemi.
Elenco delle radio e altri apparecchi della Zenith Radio Corp.; Chicago, IL