K1846E Ch= 19K22
Zenith Radio Corp.; Chicago, IL
- Country
- United States of America (USA)
- Manufacturer / Brand
- Zenith Radio Corp.; Chicago, IL
- Year
- 1952 ?
- Category
- Television Receiver (TV) or Monitor
- Radiomuseum.org ID
- 358617
-
- alternative name: Chicago Radio Lab
Click on the schematic thumbnail to request the schematic as a free document.
- Number of Tubes
- 19
- Valves / Tubes
- 6BK7 6U8 6CB6 6CB6 6CB6 6U8 12AU7 12AX7 6BN6 6BK5 6BE6 6AH4GT 6AQ7GT 6SN7GT 6BQ6GT 6AX4GT 1B3GT 5U4G 17LP4
- Conflicting model year with tube data.
- The model date contradicts tube dates. [ 6U8 (1953)]
- Main principle
- Superhet with RF-stage
- Wave bands
- Wave Bands given in the notes.
- Power type and voltage
- Alternating Current supply (AC) / 60Hz, 117V=110-120 Volt
- Loudspeaker
- Permanent Magnet Dynamic (PDyn) Loudspeaker (moving coil) / Ø 10 inch = 25.4 cm
- Material
- Wooden case
- from Radiomuseum.org
- Model: K1846E Ch= 19K22 - Zenith Radio Corp.; Chicago,
- Shape
- Console with any shape - in general
- Notes
-
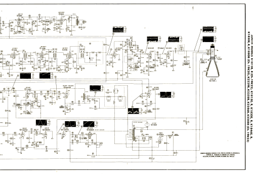
Zenith model K1846E is a 17” b/w TV with US standard VHF tuner channels 2 thru 13. Equipped with chassis 19K22 , VHF tuner S-18770 and picture tube 17LP4.
- Literature/Schematics (1)
- Photofact Folder, Howard W. SAMS (Set 184, folder 15, dated 11-52)
- Author
- Model page created by Dirk Taekels. See "Data change" for further contributors.
- Other Models
-
Here you find 4517 models, 4109 with images and 3653 with schematics for wireless sets etc. In French: TSF for Télégraphie sans fil.
All listed radios etc. from Zenith Radio Corp.; Chicago, IL