K2266R Ch= 21K20
Zenith Radio Corp.; Chicago, IL
- País
- Estados Unidos
- Fabricante / Marca
- Zenith Radio Corp.; Chicago, IL
- Año
- 1953 ?
- Categoría
- Televisión (TV) o monitor
- Radiomuseum.org ID
- 359608
-
- alternative name: Chicago Radio Lab
Haga clic en la miniatura esquemática para solicitarlo como documento gratuito.
- Numero de valvulas
- 21
- Válvulas
- 6BK7 6U8 6CB6 6CB6 6CB6 6U8 12AU7 12AX7 6BN6 6BK5 6BE6 6AH4GT 6AQ7GT 6SN7GT 6CD6G 6V3 1B3GT 1X2A 5U4G 5U4G 21FP4A
- Principio principal
- Superheterodino con paso previo de RF
- Gama de ondas
- Bandas de recepción puestas en notas.
- Tensión de funcionamiento
- Red: Corriente alterna (CA, Inglés = AC) / 60Hz, 117V=110-120 Volt
- Altavoz
- Altavoz dinámico (de imán permanente) / Ø 5.25 inch = 13.3 cm
- Material
- Plástico moderno (Nunca bakelita o catalina)
- de Radiomuseum.org
- Modelo: K2266R Ch= 21K20 - Zenith Radio Corp.; Chicago,
- Forma
- Sobremesa de cualquier forma, detalles no conocidos.
- Anotaciones
-
Zenith model K2266R is a 21” b/w TV with US standard VHF tuner channels 2 thru 13. Equipped with chassis 21K20 VHF tuner S-18770 and picture tube 21FP4A.
Automatic One-Knob .
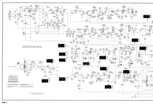
- Documentación / Esquemas (1)
- Photofact Folder, Howard W. SAMS (Set 187, folder 14, dated 12-52)
- Autor
- Modelo creado por Dirk Taekels. Ver en "Modificar Ficha" los participantes posteriores.
- Otros modelos
-
Donde encontrará 4519 modelos, 4111 con imágenes y 3656 con esquemas.
Ir al listado general de Zenith Radio Corp.; Chicago, IL