L406R Ch=4L42
Zenith Radio Corp.; Chicago, IL
- Country
- United States of America (USA)
- Manufacturer / Brand
- Zenith Radio Corp.; Chicago, IL
- Year
- 1953 ?
- Category
- Broadcast Receiver - or past WW2 Tuner
- Radiomuseum.org ID
- 73563
-
- alternative name: Chicago Radio Lab
Click on the schematic thumbnail to request the schematic as a free document.
- Main principle
- Superheterodyne (common)
- Wave bands
- Broadcast and Short Wave (SW).
- Power type and voltage
- Line / Batteries (any type)
- Material
- Plastics (no bakelite or catalin)
- from Radiomuseum.org
- Model: L406R Ch=4L42 - Zenith Radio Corp.; Chicago,
- Shape
- Portable set > 8 inch (also usable without mains)
- Notes
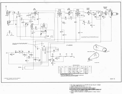
- Sam´s 220-13
- Source of data
- Collector's Guide to Antique Radios 4. Edition
- Author
- Model page created by Konrad Birkner † 12.08.2014. See "Data change" for further contributors.
- Other Models
-
Here you find 4517 models, 4109 with images and 3653 with schematics for wireless sets etc. In French: TSF for Télégraphie sans fil.
All listed radios etc. from Zenith Radio Corp.; Chicago, IL