M508B Ch= 5M05
Zenith Radio Corp.; Chicago, IL
- Produttore / Marca
- Zenith Radio Corp.; Chicago, IL
- Anno
- 1965 ?
- Categoria
- Radio (o sintonizzatore del dopoguerra WW2)
- Radiomuseum.org ID
- 87354
-
- alternative name: Chicago Radio Lab
Clicca sulla miniatura dello schema per richiederlo come documento gratuito.
- Numero di tubi
- 5
- Valvole
- Principio generale
- Supereterodina (in generale); ZF/IF 455 kHz; 2 Stadi BF
- N. di circuiti accordati
- 6 Circuiti Mod. Amp. (AM)
- Gamme d'onda
- Solo onde medie (OM).
- Tensioni di funzionamento
- Alimentazione a corrente alternata (CA) / 117 Volt
- Altoparlante
- AP magnetodinamico (magnete permanente e bobina mobile)
- Materiali
- Plastica (non bachelite o catalina)
- Radiomuseum.org
- Modello: M508B Ch= 5M05 - Zenith Radio Corp.; Chicago,
- Forma
- Soprammobile compatto/con bordi arrotondati/midget senza pulsantiera/tastiera.<= 35 cm (Sometimes with handle but for mains only).
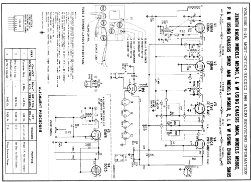
- Letteratura / Schemi (1)
- Beitman Radio Diagrams Vol. 26, 1966
- Autore
- Modello inviato da Egon Penker. Utilizzare "Proponi modifica" per inviare ulteriori dati.
- Altri modelli
-
In questo link sono elencati 4519 modelli, di cui 4111 con immagini e 3656 con schemi.
Elenco delle radio e altri apparecchi della Zenith Radio Corp.; Chicago, IL