MK2670 Ch= 12K25 + 7K31
Zenith Radio Corp.; Chicago, IL
- Country
- United States of America (USA)
- Manufacturer / Brand
- Zenith Radio Corp.; Chicago, IL
- Year
- 1962 ?
- Category
- Broadcast Receiver - or past WW2 Tuner
- Radiomuseum.org ID
- 87091
-
- alternative name: Chicago Radio Lab
Click on the schematic thumbnail to request the schematic as a free document.
- Number of Tubes
- 19
- Valves / Tubes
- 6JK8 6BA6 6EQ7 6BN6 6AU6 6BC7 6BA6 6BE6 6EA8 6BN8 12AX7A 12AX7A 6CG7 6CG7 6BQ5 6BQ5 6BQ5 6BQ5 5U4GB
- Main principle
- Superhet with RF-stage; ZF/IF 455/10700 kHz
- Wave bands
- Broadcast (BC) and FM or UHF.
- Details
- Changer (Record changer)
- Power type and voltage
- Alternating Current supply (AC) / 120 Volt
- Loudspeaker
- 7 or more Loudspeakers
- Material
- Wooden case
- from Radiomuseum.org
- Model: MK2670 Ch= 12K25 + 7K31 - Zenith Radio Corp.; Chicago,
- Shape
- Console, Lowboy (legs < 50 %).
- Notes
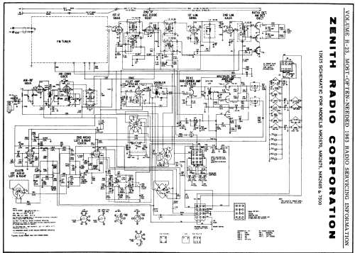
- The Beitman schematic (R23) from 1963 shows the same schematic, chassis 12K25, for the models MK2670, MK2675, MK2685 and 7500. For the 2nd Audio/ Phase inverter, each channel uses either 6CG7 or 6FQ7. The 4 power tubes 6BQ5 drive twice 4 loudspeakers: 2 x 3.5" tweeter, a tweeter horn and a 12" woofer.
- Circuit diagram reference
- Beitman Radio Diagrams Vol. 23, 1963
- Author
- Model page created by Egon Penker. See "Data change" for further contributors.
- Other Models
-
Here you find 4519 models, 4111 with images and 3656 with schematics for wireless sets etc. In French: TSF for Télégraphie sans fil.
All listed radios etc. from Zenith Radio Corp.; Chicago, IL