Royal 50LK Ch= 6KT43Z1
Zenith Radio Corp.; Chicago, IL
- Country
- United States of America (USA)
- Manufacturer / Brand
- Zenith Radio Corp.; Chicago, IL
- Year
- 1963
- Category
- Broadcast Receiver - or past WW2 Tuner
- Radiomuseum.org ID
- 247969
-
- alternative name: Chicago Radio Lab
Click on the schematic thumbnail to request the schematic as a free document.
- Number of Transistors
- 6
- Semiconductors
- Main principle
- Superheterodyne (common); ZF/IF 455 kHz; 2 AF stage(s); Super Regenerativ
- Tuned circuits
- 5 AM circuit(s)
- Wave bands
- Broadcast only (MW).
- Power type and voltage
- Dry Batteries / 2 x 1.5 Volt
- Loudspeaker
- Permanent Magnet Dynamic (PDyn) Loudspeaker (moving coil) / Ø 2 inch = 5.1 cm
- Power out
- 0.08 W (0.135 W max.)
- Material
- Plastics (no bakelite or catalin)
- from Radiomuseum.org
- Model: Royal 50LK Ch= 6KT43Z1 - Zenith Radio Corp.; Chicago,
- Shape
- Very small Portable or Pocket-Set (Handheld) < 8 inch.
- Dimensions (WHD)
- 2.5 x 4.25 x 1.25 inch / 64 x 108 x 32 mm
- Notes
-
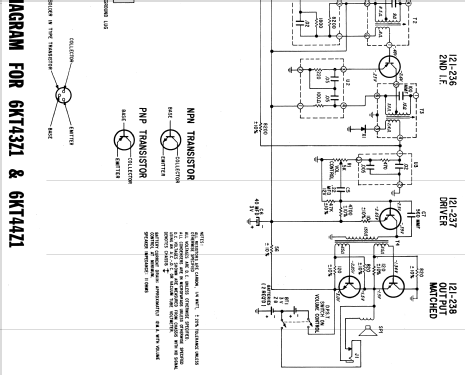
The Zenith Royal 50LK is a battery operated 6 transistor BC band portable radio. The chassis is a superheterodyne receiver with the first stage configured as an autodyne converter. A diode is used for the detector. Has push-pull output stage. Uses Qty(2) 1.5V penlite AA batteries. BC band frequency range is 540 to 1600kHz. Sensitivity is approximately 400uV/m @ 50mW output. Cabinet color is beige and ivory.
This radio is part of the Royal 50K series of portable transistor radio's. The Royal 50H and 50K series are the 2nd generation of the Royal 50 line of radio's, with the Royal 50K series being a late production run change.
The Royal 50K series using the either the 6KT43Z1 or 6KT44Z1 chassis were available in the following colors:
Model Number Cabinet Front Color Cabinet Rear Color Royal 50CK Black Ivory Royal 50LK Beige Ivory Royal 50VK Red Ivory Royal 50WK White White
- Net weight (2.2 lb = 1 kg)
- 0.5 lb (0 lb 8 oz) / 0.227 kg
- Price in first year of sale
- 20.00 $
- Circuit diagram reference
- Beitman Radio Diagrams Vol. 23, 1963
- Literature/Schematics (1)
- Zenith Transistor Radios (p.48)
- Literature/Schematics (2)
- - - Manufacturers Literature (Zenith Service Manual Models Royal 40-50K-60 Chassis 6KT43Z1 & 6KT44Z1)
- Literature/Schematics (3)
- Beitman Radio Diagrams, Vol. 23, 1963 (Page 180, 181)
- Author
- Model page created by John Kusching. See "Data change" for further contributors.
- Other Models
-
Here you find 4519 models, 4111 with images and 3656 with schematics for wireless sets etc. In French: TSF for Télégraphie sans fil.
All listed radios etc. from Zenith Radio Corp.; Chicago, IL