Royal 50LK Ch= 6KT44Z1
Zenith Radio Corp.; Chicago, IL
- Land
- USA
- Hersteller / Marke
- Zenith Radio Corp.; Chicago, IL
- Jahr
- 1963

- Kategorie
- Rundfunkempfänger (Radio - oder Tuner nach WW2)
- Radiomuseum.org ID
- 247973
-
- anderer Name: Chicago Radio Lab
Klicken Sie auf den Schaltplanausschnitt, um diesen kostenlos als Dokument anzufordern.
- Anzahl Transistoren
- 6
- Halbleiter
- Hauptprinzip
- Superhet allgemein; ZF/IF 455 kHz; 2 NF-Stufe(n); Pendelrückkopplungs-Empfänger
- Anzahl Kreise
- 5 Kreis(e) AM
- Wellenbereiche
- Mittelwelle, keine anderen.
- Betriebsart / Volt
- Trockenbatterien / 2 x 1.5 Volt
- Lautsprecher
- Dynamischer LS, keine Erregerspule (permanentdynamisch) / Ø 2 inch = 5.1 cm
- Belastbarkeit / Leistung
- 0.08 W (0.135 W max./spitze)
- Material
- Plastikgehäuse (nicht Bakelit), Thermoplast
- von Radiomuseum.org
- Modell: Royal 50LK Ch= 6KT44Z1 - Zenith Radio Corp.; Chicago,
- Form
- Kleines Reisegerät oder «Taschengerät» < 20 cm.
- Abmessungen (BHT)
- 2.5 x 4.25 x 1.25 inch / 64 x 108 x 32 mm
- Bemerkung
-
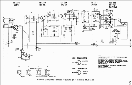
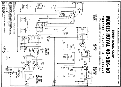
The Zenith Royal 50LK is a battery operated 6 transistor BC band portable radio. The chassis is a superheterodyne receiver with the first stage configured as an autodyne converter. A diode is used for the detector. Has push-pull output stage. Uses Qty(2) 1.5V penlite AA batteries. BC band frequency range is 540 to 1600kHz. Sensitivity is approximately 400uV/m @ 50mW output. Cabinet color is beige and ivory.
This radio is part of the Royal 50K series of portable transistor radio's. The Royal 50H and 50K series are the 2nd generation of the Royal 50 line of radio's, with the Royal 50K series being a late production run change.
The Royal 50K series using the either the 6KT43Z1 or 6KT44Z1 chassis were available in the following colors:
Model Number Cabinet Front Color Cabinet Rear Color Royal 50CK Black Ivory Royal 50LK Beige Ivory Royal 50VK Red Ivory Royal 50WK White White
- Nettogewicht
- 0.5 lb (0 lb 8 oz) / 0.227 kg
- Originalpreis
- 20.00 $
- Schaltungsnachweis
- Beitman Radio Diagrams Vol. 23, 1963
- Literatur/Schema (1)
- Zenith Transistor Radios (p.48)
- Literatur/Schema (2)
- - - Manufacturers Literature (Zenith Service Manual Models Royal 40-50K-60 Chassis 6KT43Z1 & 6KT44Z1)
- Literatur/Schema (3)
- Beitman Radio Diagrams, Vol. 23, 1963 (Page 180, 181)
- Autor
- Modellseite von John Kusching angelegt. Siehe bei "Änderungsvorschlag" für weitere Mitarbeit.
- Weitere Modelle
-
Hier finden Sie 4517 Modelle, davon 4109 mit Bildern und 3654 mit Schaltbildern.
Alle gelisteten Radios usw. von Zenith Radio Corp.; Chicago, IL