Ch= 16E23
Zenith, Telerasa; Barcelona
- Country
- Spain
- Manufacturer / Brand
- Zenith, Telerasa; Barcelona
- Year
- 1959 ??
- Category
- Television Receiver (TV) or Monitor
- Radiomuseum.org ID
- 319178
Click on the schematic thumbnail to request the schematic as a free document.
- Number of Tubes
- 16
- Valves / Tubes
- unknown_Tube unknown_Tube 6BZ6 6BZ6 6DK6 6EB8 6BN6 6AQ5A 6BU8 6EA7 6GH8 6DQ6B 6DE4 1J3 5V3 23ZP4
- Main principle
- Superhet with RF-stage; 2 AF stage(s)
- Wave bands
- VHF incl. FM and/or UHF (see notes for details)
- Power type and voltage
- Alternating Current supply (AC) / 125 Volt
- Loudspeaker
- Permanent Magnet Dynamic (PDyn) Loudspeaker (moving coil)
- from Radiomuseum.org
- Model: Ch= 16E23 - Zenith, Telerasa; Barcelona
- Shape
- Tablemodel, low profile (big size).
- Notes
-
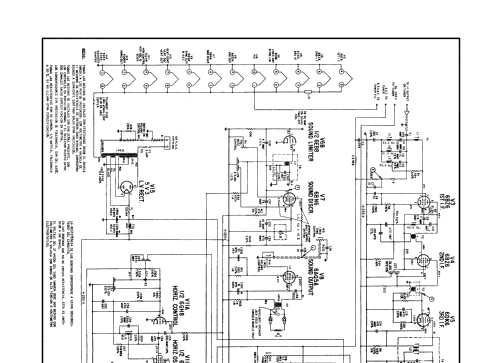
Zenith (Telerasa), Ch= 16E23
TV B/N 23" con selector rotativo de VHF
unknown_Tube son los del selector, posiblemente 6GK5 y 6EA8
- Literature/Schematics (1)
- -- Schematic (Esquemario TV REDE, Tomo II, 1964)
- Author
- Model page created by Miguel Bravo-Cos. See "Data change" for further contributors.
- Other Models
-
Here you find 56 models, 29 with images and 29 with schematics for wireless sets etc. In French: TSF for Télégraphie sans fil.
All listed radios etc. from Zenith, Telerasa; Barcelona