K1620 /Y2 Ch= 14K20
Zenith, Telerasa; Barcelona
- Country
- Spain
- Manufacturer / Brand
- Zenith, Telerasa; Barcelona
- Year
- 1964 ??
- Category
- Television Receiver (TV) or Monitor
- Radiomuseum.org ID
- 319195
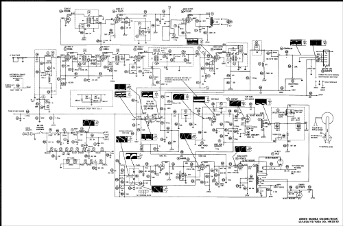
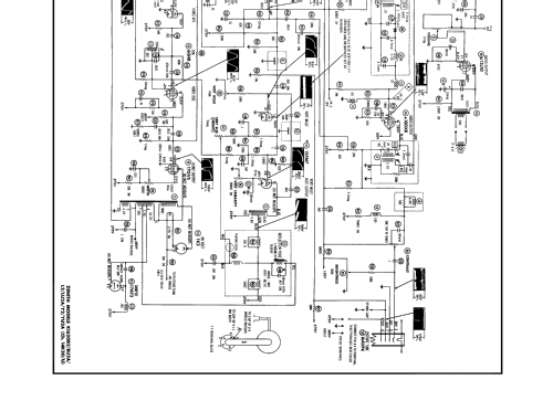
Click on the schematic thumbnail to request the schematic as a free document.
- Number of Tubes
- 14
- Valves / Tubes
- unknown_Tube unknown_Tube 4BZ6 4BZ6 4BZ6 10DX8 4HS8 13FM7 6GH8 17GV5 1K3 17AY3 13J10 16AVP4
- Main principle
- Superhet with RF-stage; 2 AF stage(s)
- Wave bands
- VHF incl. FM and/or UHF (see notes for details)
- Power type and voltage
- Alternating Current supply (AC) / 117 Volt
- Loudspeaker
- Permanent Magnet Dynamic (PDyn) Loudspeaker (moving coil) - elliptical
- from Radiomuseum.org
- Model: K1620 /Y2 Ch= 14K20 - Zenith, Telerasa; Barcelona
- Shape
- Tablemodel, low profile (big size).
- Notes
-
Zenith (Telerasa), K1620 /Y2 Ch= 14K20
TV B/N 16" con selector rotativo de VHF
unknown_Tube son los del selector.
- Literature/Schematics (1)
- -- Schematic (Esquemario TV REDE, Tomo II, 1964)
- Author
- Model page created by Miguel Bravo-Cos. See "Data change" for further contributors.
- Other Models
-
Here you find 56 models, 29 with images and 29 with schematics for wireless sets etc. In French: TSF for Télégraphie sans fil.
All listed radios etc. from Zenith, Telerasa; Barcelona