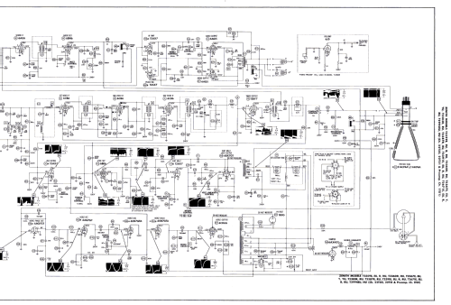
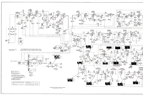
T2367EU Ch= 22T20
Zenith Radio Corp.; Chicago, IL
- Pays
- Etats-Unis
- Fabricant / Marque
- Zenith Radio Corp.; Chicago, IL
- Année
- 1956 ?
- Catégorie
- Récepteur de télévision ou moniteur
- Radiomuseum.org ID
- 336664
-
- alternative name: Chicago Radio Lab
Cliquez sur la vignette du schéma pour le demander en tant que document gratuit.
- No. de tubes
- 23
- Lampes / Tubes
- 6AF4 6BK7A 6U8 6CB6 6CB6 6CB6 12BY7 12AX7 6AU6 6BN6 12AX7 6AQ5 6AQ5 6BE6 6BX7GT 6AQ7GT 6SN7GTA 6CD6G 6AX4GT 1B3GT 5U4GA 5U4GA 21ACP4A
- Principe général
- Super hétérodyne avec étage HF
- Gammes d'ondes
- Bandes en notes
- Tension / type courant
- Alimentation Courant Alternatif (CA) / 60 Hz, 117V = 110 -120 Volt
- Haut-parleur
- 2 HP
- Matière
- Boitier en bois
- De Radiomuseum.org
- Modèle: T2367EU Ch= 22T20 - Zenith Radio Corp.; Chicago,
- Forme
- Console avec pieds bas < 50% de la hauteur
- Remarques
-
Zenith model T2367EU is a 21” b/w TV with US standard VHF tuner channels 2 thru
13, and 14 thru 83 UHF. Equipped with chassis 22T20, VHF- UHF tuner S21845 and picture tube 21ACP4A.
- Schémathèque (1)
- Photofact Folder, Howard W. SAMS (Set 307 Folder 17 dated 2-56)
- Auteur
- Modèle crée par Dirk Taekels. Voir les propositions de modification pour les contributeurs supplémentaires.
- D'autres Modèles
-
Vous pourrez trouver sous ce lien 4517 modèles d'appareils, 4109 avec des images et 3653 avec des schémas.
Tous les appareils de Zenith Radio Corp.; Chicago, IL